1 x PLH3D-6W-XF+ Cabeça de laser para gravação
Especificações: Potência ótica de 6 W, ponto SD 85 DPI 300um, espessura máxima de corte de madeira 6 mm (¼")
Ideal para: Gravação padrão, corte de materiais macios, corte de materiais MultiPass
Nenhum produto
Quantidade:
Total:
Total de produtos: (sem impostos)
Total do envio: A ser determinado
Total: (sem impostos)
Kit de atualização de laseri2R PLH3D-6W-XF
Especificações: Potência ótica de 6W, ponto SD 85 DPI 300um, espessura máxima de corte de madeira 6 mm (¼")
Ideal para: Gravação padrão, corte de materiais macios, corte de materiais MultiPass
Inclui: Cabeça de laser, adaptador PLH3D-CNC, suporte e parafusos, PSU, cablagem, ferramenta de referência de altura
|
|
|
LaserDock PRO - Estação de ancoragem magnética de laser para CNC |
|
|
|
Kit de bicos de assistência de ar de alta pressão para a série XF |
|
|
|
LaserDock PRO - Apenas a parte lateral do laser |
|
|
|
LaserDock PRO - Apenas peça lateral CNC |
|
|
|
OptiShield - Cobertura do feixe de gravação a laser PLH3D |
|
|
|
Seguro de 2 anos para colisão ou queda de cabeça de laser |
|
|
|
Licença CNC Software Lightburn |
|
|
|
Janela de Segurança para Laser Azul |
|
|
|
Conjunto de autocolantes para laser CNC |
|
|
|
Óculos de Segurança para Laser |
Especificações: Potência ótica de 6 W, ponto SD 85 DPI 300um, espessura máxima de corte de madeira 6 mm (¼")
Ideal para: Gravação padrão, corte de materiais macios, corte de materiais MultiPass
Fornece comunicação entre máquinas CNC e cabeças de laser.
Assegura uma camada adicional de segurança para os utilizadores e para as cabeças de laser.
✔ Óculos de Segurança para Laser com OD 7+ no intervalo de 190 a 540 nm.
✔ Reduzem o risco de entrada de luz nos olhos do usuário proveniente de luz laser retroespalhada.
Suporte de alumínio para montagem das cabeças laser PLH3D-6W-Series ou LaserDock em máquinas CNC i2R.
Inclui um conjunto de parafusos.
Para alimentar as cabeças laser da série PLH3D-6W através do adaptador PLH3D-CNC.
Fornece uma saída fiável de 19V 2.5A.
Inclui um adaptador de ficha de parede.
Pode ser usado para colimar ou focar feixes de laser.
O design asférico quase elimina a aberração esférica.
Possui um revestimento AR de banda larga para 400-700 nm.
Ferramenta compacta para ajustes fáceis e rápidos da distância focal para gravadores a laser da série PLH3D.
Conjunto de autocolantes para laser CNC.
Incluído em todos os kits laser da Opt Lasers.
Descubra o derradeiro melhoramento para o seu CNC i2R com o kit de atualização de laser principal da Opt Lasers, o PLH3D-6W-XF+. Concebidas para uma integração perfeita, estas soluções plug-and-play foram concebidas para melhorar as capacidades da sua máquina sem esforço. A Opt Lasers compreende as complexidades das máquinas CNC i2R, assegurando que os nossos kits de laser não só se adaptam na perfeição, como também tiram o melhor partido do que a sua máquina tem para oferecer.
A série i2R CNC é conhecida pela sua precisão e versatilidade, concebida para satisfazer tanto os principiantes como os profissionais da maquinagem CNC. A sua linha inclui a série A, a série B e a i2R W42, sendo a i2R W42 notável pela sua maior área de trabalho de 24" x 48". Estas máquinas são concebidas para uma elevada precisão com caraterísticas como guias lineares prismáticas e um sistema de acionamento de fuso de esferas totalmente recirculante, aumentando a sua precisão de movimento e fiabilidade.
Poupe 10% ao adicionar o LightBurn ao seu kit XF+, XT-50 ou XT8.
Quando adquirido em conjunto com os nossos Kits Plug&Play, o LightBurn é fornecido a um preço promocional exclusivo — para começar desde o primeiro dia com as melhores ferramentas e o melhor valor global. Amplamente adotado por utilizadores de laser em todo o mundo, o LightBurn é a escolha mais popular da comunidade, com milhares de licenças vendidas.
O software LightBurn está disponível como acessório opcional com os nossos kits ou cabeças laser e é compatível com todos os módulos de corte e gravação da Opt Lasers — incluindo XT8, XT-50 e XF+. O software simplifica o seu fluxo de trabalho e fornece controlo preciso para resultados ótimos de corte e gravação. Pode adicioná-lo a partir da secção Accessories no topo da página.
Dica de compatibilidade: A compatibilidade do LightBurn depende do controlador de movimento/firmware da sua máquina (e não do próprio módulo laser). Funciona com a maioria dos controladores CNC disponíveis e inclui um pós-processador G-Code personalizado. Contudo, confirme antes da compra se o seu controlador é suportado.
Quer trabalhe com madeira, polímeros, couro ou espuma, a combinação do LightBurn com o hardware da Opt Lasers garante resultados fiáveis, eficientes e de alta qualidade.

Corte e gravação - O laser azul PLH3D-6W-XF+ permite cortar e gravar vários materiais, como madeira, cartão, borracha, papel, têxteis, couro, plástico, balsa, contraplacado e muitos outros, bem como marcar aço inoxidável, titânio e subtipos de aço de baixa condutividade térmica.

Segurança melhorada - A cabeça do laser de corte e gravação está equipada com um LED de indicação "Armed", que assinala a sua ligação à fonte de alimentação e fornece alertas de sobreaquecimento. Além disso, os avisos de temperatura ambiente garantem um funcionamento seguro.

Lente ajustada de fábrica - cada cabeça laser é fornecida com uma lente Triplet de alta resolução ajustada para focar a 60,0 mm. Esta distância é a melhor distância de focagem optimizada para começar.

Fácil ajuste da lente: A distância de trabalho (focagem) pode ser rapidamente definida ou alterada com o ajustador de lentes incluído, compatível com todas as lentes M9x0.5. Para determinadas aplicações, recomenda-se o ajuste do feixe para uma gravação simétrica.

Controlador incorporado: Uma ligação curta entre o díodo laser e um driver assegura uma melhor proteção do díodo, a possibilidade de modulação de corrente de alta frequência e elimina os efeitos de indutância durante a ligação.

Não necessita de arrefecimento adicional: Este laser leve não necessita de arrefecimento adicional. O corpo do laser XF+ actua como um dissipador de calor, permitindo-lhe trabalhar constantemente durante 24 horas, todos os dias.

(Incluído nos kits Plug&Play)

(Acessório opcional, adicionar no topo da página)

(Incluídos nos kits Plug&Play)

(Incluídos nos kits Plug&Play)

(Acessório opcional, adicionar no topo da página)

(Acessório opcional, adicionar no topo da página)

| PLH3D-6W-XF+ | |
|---|---|
| Potência ótica máxima | 6 W |
| Dimensões da cabeça do laser (C x L x A) | 76 x 89 x 194 mm (3 x 3,5 x 7,64 pol.) |
| Peso da cabeça do laser, Tip. | 1050 g (2,31 lb.) Com LaserDock: 1230 g (2,71 lb.) |
| Taxa de fluxo do ventilador | 92 m3/h (53 CFM) |
| Ruído da ventoinha | 58 dBA |
| Padrão de furos de montagem | 5x 4 orifícios, 24 x 15 mm (0,94 x 0,59 pol.) |
| Tipo de orifício de montagem | M3 x 0,5 x 3 mm |
| Máx. Temperatura ambiente máxima | 40°C (104°F) |
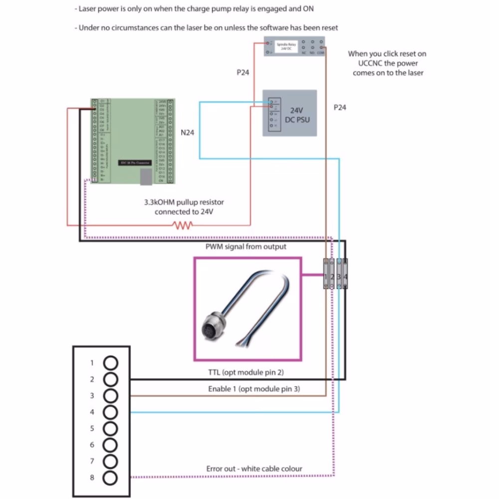
| Entrada de modulação | PWM/TTL, 0 - 24 V |
| Frequência de base PWM recomendada | 1 - 5 kHz |
| Largura de banda máx. Largura de banda de modulação | 30 kHz |
| Impedância de entrada de modulação | >1 kΩ |
| Tensão da unidade de alimentação | 24 V |
| 24 V PSU Mín. Corrente | 8 A |
| Consumo máximo de energia | 170 W |
19-02-2024
Satisfied
Got here by Youtube video, got product like 2 years ago - still in best shape!