1 x Testa laser per incisione PLH3D-6W-XF+
Specifiche: Potenza ottica 6W, spot SD 85 DPI 300um, spessore massimo di taglio del legno 6 mm (¼")
Ideale per: Incisione standard, taglio di materiali morbidi, taglio di materiali a più passaggi
Nessun prodotto
Quantità:
Totale:
Totale prodotti: (IVA escl.)
Totale spedizione: Da determinare
Totale: (IVA escl.)
Kit di aggiornamento per laseri2R PLH3D-6W-XF+
Specifiche: Potenza ottica 6W, spot SD 85 DPI 300um, spessore massimo di taglio del legno 6 mm (¼")
Ideale per: Incisione standard, taglio di materiali morbidi, taglio di materiali multipass
Include: Testa laser, adattatore PLH3D-CNC, supporto e viti, alimentatore, cablaggio, strumento di riferimento per l'altezza
|
|
|
LaserDock PRO - Stazione di aggancio magnetica da laser a CNC |
|
|
|
Kit di ugelli di assistenza ad aria compressa per la serie XF |
|
|
|
LaserDock PRO - Solo parte laterale del laser |
|
|
|
|
|
|
|
OptiShield - Copertura del raggio dell'incisore laser PLH3D |
|
|
|
Licenza CNC Software Lightburn |
|
|
|
Finestra di Sicurezza per Laser Blu |
Specifiche: Potenza ottica 6W, spot SD 85 DPI 300um, spessore massimo di taglio del legno 6 mm (¼")
Ideale per: Incisione standard, taglio di materiali morbidi, taglio di materiali a più passaggi
Fornisce la comunicazione tra le macchine CNC e le teste laser.
Garantisce un ulteriore livello di sicurezza per gli utenti e le teste laser.
✔ Occhiali di sicurezza laser con rating OD 7+ nell’intervallo da 190 a 540 nm.
✔ Riduzione del rischio di ingresso di luce negli occhi dell’utente da radiazione laser retro-diffusa.
Supporto in alluminio per il montaggio delle teste laser della serie PLH3D-6W o del LaserDock sulle macchine CNC i2R.
Include un set di viti.
Per alimentare le teste laser della serie PLH3D-6W tramite l'adattatore PLH3D-CNC.
Fornisce un'uscita affidabile da 19V 2,5A.
Include un adattatore per spina a muro.
Può essere utilizzato per collimare o focalizzare i raggi laser.
Il design asferico elimina quasi completamente l'aberrazione sferica.
Rivestimento AR a banda larga per 400-700 nm.
Strumento compatto per una facile e rapida regolazione della distanza focale per gli incisori laser della serie PLH3D.
Set di adesivi per laser CNC.
Incluso in ogni kit laser di Opt Lasers.
Scoprite il miglioramento definitivo del vostro CNC i2R con il kit di aggiornamento laser più importante di Opt Lasers, il PLH3D-6W-XF+. Progettate per una perfetta integrazione, queste soluzioni plug-and-play sono progettate per migliorare le capacità della vostra macchina senza alcuno sforzo. Opt Lasers conosce bene le complessità delle macchine CNC i2R e garantisce che i nostri kit laser non solo si adattino perfettamente, ma che riescano anche a far emergere il meglio di ciò che la vostra macchina ha da offrire.
La serie i2R CNC è nota per la sua precisione e versatilità, progettata per soddisfare sia i principianti che i professionisti della lavorazione CNC. La gamma comprende la Serie A, la Serie B e la i2R W42, con la i2R W42 che si distingue per l'area di lavoro più ampia di 24" x 48". Queste macchine sono progettate per garantire un'elevata precisione, grazie a caratteristiche come le guide lineari prismatiche e il sistema di trasmissione a vite a ricircolo di sfere, che ne migliorano l'accuratezza e l'affidabilità.
Risparmia il 10% aggiungendo LightBurn al tuo kit XF+, XT-50 o XT8.
Se acquistato insieme ai nostri kit Plug&Play, LightBurn è offerto a un prezzo promozionale esclusivo — così parti fin dal primo giorno con gli strumenti migliori e il miglior rapporto prestazioni/costo. Ampiamente adottato dagli utenti laser di tutto il mondo, LightBurn è la scelta più popolare della community, con migliaia di licenze vendute.
Il software LightBurn è disponibile come accessorio opzionale con i nostri kit o teste laser ed è compatibile con tutti i moduli di taglio e incisione Opt Lasers — inclusi XT8, XT-50 e XF+. Semplifica il flusso di lavoro e fornisce un controllo accurato per ottenere risultati ottimali di taglio e incisione. Puoi aggiungerlo dalla sezione Accessories in cima alla pagina.
Suggerimento di compatibilità: La compatibilità di LightBurn dipende dal motion controller/firmware della tua macchina (non dal modulo laser). Funziona con la maggior parte dei controllori CNC disponibili e include un post-processore G-Code personalizzato. Verifica comunque prima dell’acquisto che il tuo controllore sia supportato.
Che tu lavori con legno, polimeri, pelle o foam, l’abbinamento di LightBurn con l’hardware Opt Lasers garantisce risultati affidabili, efficienti e di alta qualità.

Taglio e incisione - Il laser blu PLH3D-6W-XF+ consente di tagliare e incidere vari materiali come legno, cartone, gomma, carta, tessuti, pelle, plastica, balsa, compensato e molti altri, nonché di marcare acciaio inossidabile, titanio e sottotipi di acciaio a bassa conduttività termica.

Sicurezza migliorata - La testina laser per il taglio e l'incisione è dotata di un LED di indicazione "Armed", che segnala il collegamento all'alimentazione e fornisce avvisi di surriscaldamento. Inoltre, gli avvisi relativi alla temperatura ambiente garantiscono un funzionamento sicuro.

Lente impostata in fabbrica - ogni testa laser viene fornita con una lente tripletta ad alta risoluzione regolata per la messa a fuoco a 60,0 mm. Questa distanza è la migliore distanza di messa a fuoco ottimizzata per iniziare.

Facile regolazione della lente: La distanza di lavoro (messa a fuoco) può essere rapidamente impostata o modificata con il regolatore di lenti in dotazione, compatibile con tutti gli obiettivi M9x0,5. Per alcune applicazioni, si consiglia di regolare il raggio per ottenere un'incisione simmetrica.

Driver incorporato: Un collegamento corto tra il diodo laser e il driver garantisce una migliore protezione del diodo, la possibilità di modulare la corrente ad alta frequenza ed elimina gli effetti di induttanza durante l'accensione.

Non è richiesto alcun raffreddamento aggiuntivo: Questo laser leggero non richiede un raffreddamento supplementare. Il corpo del laser XF+ funge da dissipatore di calore, consentendogli di lavorare costantemente per 24 ore al giorno.

(Incluso nei kit Plug&Play)

(Accessorio opzionale, aggiungere all'inizio della pagina)

(inclusi nei kit Plug&Play)

(inclusi nei kit Plug&Play)

(accessorio opzionale, da aggiungere all'inizio della pagina)

(Accessorio opzionale, aggiungere all'inizio della pagina)

| PLH3D-6W-XF+ | |
|---|---|
| Potenza ottica massima | 6 W |
| Dimensioni della testa laser (L x L x H) | 76 x 89 x 194 mm (3 x 3,5 x 7,64 pollici) |
| Peso della testa laser, tip. | 1050 g (2,31 lb.) Con LaserDock: 1230 g (2,71 lb.) |
| Portata della ventola | 92 m3/h (53 CFM) |
| Rumore della ventola | 58 dBA |
| Schema dei fori di montaggio | 5x 4 fori, 24 x 15 mm (0,94 x 0,59 pollici) |
| Tipo di foro di montaggio | M3 x 0,5 x 3 mm |
| Temperatura max. Temperatura ambiente | 40°C (104°F) |
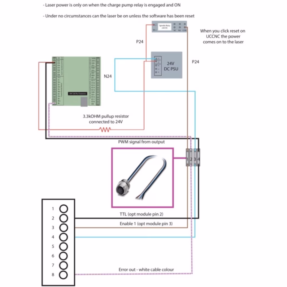
| Ingresso di modulazione | PWM/TTL, 0 - 24 V |
| Frequenza base PWM consigliata | 1 - 5 kHz |
| Larghezza di banda di modulazione max. Larghezza di banda di modulazione | 30 kHz |
| Impedenza di ingresso della modulazione | >1 kΩ |
| Tensione dell'unità di alimentazione | 24 V |
| 24 V PSU Min. Corrente | 8 A |
| Consumo massimo di energia | 170 W |
19/02/2024
Satisfied
Got here by Youtube video, got product like 2 years ago - still in best shape!