Цена снижена!
Высокопроизводительный комплект для модернизации лазера с ЧПУ I2R с гравировальной лазерной головкой PLH3D-XT8

Лазерный комплект XT8 45 Вт Plug&Play для ЧПУ I2R

Комплект для модернизации лазераI2R PLH3D-XT8

Характеристики: 45 Вт оптическая мощность, HD 125DPI 180um пятно, максимальная толщина резки древесины 20 мм (¾")

Лучший для: CO2-подобная ультравысокоскоростная резка и гравировка, резка толстых материалов

Включает в себя: Лазерная головка, воздушная насадка, CNC Adapter Pro, лазерные защитные очки, крышка луча, крепление и многое другое.

В наличии

$1,169.10 Без НДС

-10%

$1,299.00 Без НДС

Минимальная цена за последние 30 дней: $1,299.00
Our payments
004414
5902693114529

Содержимое упаковки

  • PLH3D-XT8-гравировальная лазерная головка
    $1,099.00 $1,199.00
    Минимальная цена за последние 30 дней: $1,199.00

    1 x Лазерная головка для резки и гравировки PLH3D-XT8 45 Вт

    Характеристики: 45 Вт оптическая мощность, HD 125DPI 180um пятно, максимальная толщина резки древесины 20 мм (¾")

    Лучший для: CO2-подобная сверхвысокоскоростная резка и гравировка, резка толстых материалов

  • PLH3D-XT8
    $179.10 $199.00
    Минимальная цена за последние 30 дней: $199.00

    1 x PLH3D-CNC Adapter Pro

    ✔ Обеспечивает связь между станками с ЧПУ и лазерными головками.

    ✔ Обеспечивает дополнительный уровень безопасности для пользователей и лазерных головок.

  • Настольный блок питания PLH3D-CNC
    $71.10 $79.00
    Минимальная цена за последние 30 дней: $79.00

    1 x Блок питания 24V 8A с адаптерами US/UK

    ✔ Для питания лазерных головок серии PLH3D через адаптер PLH3D-CNC Adapter Pro.

    ✔ Обеспечивает надежный выход 24 В 8 А.

    ✔ Поставляется с вилкой, совместимой со стандартами, используемыми в стране назначения.

  • Защитные очки для лазера 450 нм
    $63.00 $70.00
    Минимальная цена за последние 30 дней: $70.00

    1 x Лазерные защитные очки

    ✔ Лазерные защитные очки с оптической плотностью OD 7+ в диапазоне 190–540 нм.

    ✔ Снижают риск попадания рассеянного лазерного излучения в глаза пользователя.

  • Крепление i2R CNC для лазерной головки PLH3D-XT8
    $31.50 $35.00
    Минимальная цена за последние 30 дней: $35.00

    1 x Крепление i2R CNC для лазерной головки PLH3D-XT8

    ✔ Алюминиевое крепление для установки лазерной головки PLH3D-XT8 или LaserDock Pro на станки с ЧПУ i2R.

    ✔ В комплект входит набор винтов.

  • Кабель для лазерной головки PLH3D-XT8 (7 м / 22 фута)
    $28.80 $32.00
    Минимальная цена за последние 30 дней: $32.00

    1 x Кабель для лазерной головки PLH3D-XT8 (7 м / 22 фута)

    ✔ Кабель для подключения лазерных головок серии PLH3D или LaserDock Pro к PLH3D-CNC Adapter Pro.

    ✔ Передает питание и сигналы управления на лазерную головку.

  • OptiShield - защитная крышка луча лазерного гравера PLH3D
    $26.10 $29.00
    Минимальная цена за последние 30 дней: $29.00

    1 x OptiShield - крышка луча лазерного гравера PLH3D

    ✔ Уменьшает отражение света от обрабатываемого материала и обеспечивает оптимальное охлаждение лазерной головки.

    ✔ Устанавливается на сопло подачи воздуха высокого давления.

  • Ссылка на высоту серии PLH3D
    $10.80 $12.00
    Минимальная цена за последние 30 дней: $12.00

    1 x PLH3D Инструмент для определения высоты

    ✔ Компактный инструмент для простой и быстрой регулировки фокусного расстояния для лазерных граверов серии PLH3D.

Скачать

Описание продукта

Преимущества, которые Opt Lasers впервые предлагает на этом рынке

5-летняя гарантия Opt Lasers
30-дневная гарантия удовлетворённости при возврате
Пожизненная техническая поддержка
№ 1 по поддержке клиентов
Непревзойдённая долговечность и надёжность
Дополнительная страховка на случай столкновения или падения лазерной головки
Продукт от создателя концепции лазерной головки
Сделано в Польше, ЕС

PLH3D-XT8 - запатентованная лазерная головка №1 в мире, полный комплект Plug&Play для станков с ЧПУ I2R

Хотите модернизировать свой станок с ЧПУ с помощью лазерных возможностей? Наши сверхпроизводительные лазерные головки XT8 для резки и гравировки с ЧПУ - это идеальное решение. Созданные ведущим в отрасли производителем и создателем концепций лазерных головок, наши впечатляющие лазерные головки XT8 обеспечивают беспрецедентную производительность.

В лазерной головке PLH3D-XT8 применена запатентованная компанией Opt Lasers технология мультилазерных диодов, которая обеспечивает ее передовые возможности. Этот инновационный подход обеспечивает беспрецедентную производительность и точность, устанавливая новый стандарт в лазерной обработке.

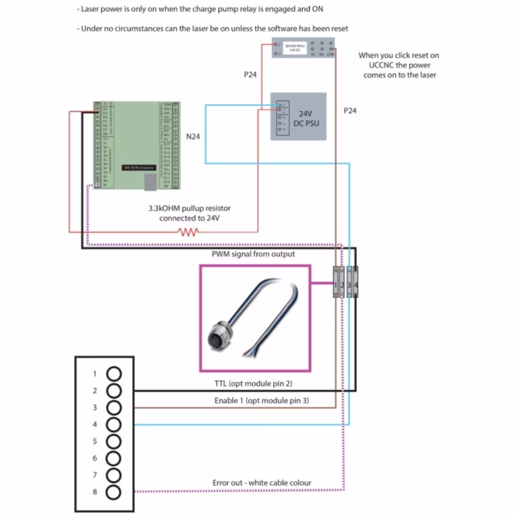
Этот комплексный набор I2R включает в себя все необходимые компоненты, такие как защитные очки для лазера, крышку луча OptiShield, адаптер PLH3D-CNC Adapter Pro и алюминиевое крепление для легкой интеграции со станками с ЧПУ I2R. Кроме того, комплект оснащен сигнальным кабелем I2R, сигнальными проводами и блоком питания, что обеспечивает совместимость с контроллером ЧПУ I2R.

Доверьтесь лучшему - этот комплект - ваш универсальный пакет Plug&Play, обеспечивающий первоклассную производительность и простую настройку вашего станка, от нас, Opt Lasers.

Demonstration of PLH3D-XT8 Blue Laser Engraver & Cutter

Нажмите, чтобы увидеть XT8 в действии!

Серия PLH3D: От концепции до результата - посмотрите в действии

Лазер PLH3D-XT8 45 Вт - характеристики и демонстрация работы

PLH3D-XT8 – Key Advantages

Высокопроизводительная лазерная головка мощностью 45 Вт с глубокой фокусировкой сводит к минимуму необходимость перефокусировки и обеспечивает быструю резку за один проход. Совместимая с широким спектром материалов, она обеспечивает четкую детализацию с размером пятна менее 200 мкм. Два режима мощности позволяют выполнять точную гравировку в оттенках серого или резку на полной мощности. Встроенная система воздушного охлаждения, медные тепловые трубки, быстрый драйвер, светодиодные индикаторы состояния и прочный цельнометаллический корпус обеспечивают стабильную и надежную работу.

Комплекты Plug & Play - установка за считанные минуты

How to Connect a PLH3D-Series Laser to Your CNC

Краткое руководство по подключению и настройке лазера PLH3D на популярных маршрутизаторах, таких как X-Carve и Shapeoko. Описаны первые настройки и советы по чистому резу и гравировке. Показана широкая совместимость со многими платформами ЧПУ. Идеально подходит для быстрого старта перед самостоятельной установкой.

PLH3D-CNC Adapter PRO - оптимальное решение для управления лазерной установкой с ЧПУ

Adapter PRO – Seamless Control & Safety

Упрощает подключение и управление благодаря преобразованию сигналов, настройке с помощью OLED-навигатора и предустановкам, готовым для ЧПУ. Диагностика в реальном времени и многоуровневая безопасность (ключ, проверка сигнала, автоматическое снятие с охраны) защищают пользователей и оборудование. Работает со всеми лазерными головками PLH3D. Прочный анодированный корпус выдерживает все требования мастерской.

LaserDock PRO: Удобное крепление для лазерных головок с ЧПУ

LaserDock PRO – Quick Docking for CNC Lasers

Включите/выключите лазер за считанные секунды благодаря магнитной точности и встроенному воздуху/питанию. Автоматическое отсоединение защищает от ударов по оси Z, а позолоченные пружинные штифты и фиксация положения обеспечивают точное выравнивание. Совместимое со всеми нынешними и будущими головками, это аккуратное крепление с заделом на будущее. Твердый анодированный алюминий обеспечивает долговечность в условиях магазина.

Дополнительный аксессуар - добавьте его из списка в верхней части этой страницы.



Что можно резать или гравировать?

Это наиболее популярные материалы для лазерной резки и гравировки с использованием PLH3D-XT8.
Полная таблица с результатами тестов скорости и мощности для многих других материалов находится ниже в этом разделе.

Материалы для лазера XT8
ДеревоДерево
ФанераФанера
КожаКожа
ПеноматериалыПеноматериалы
Резина (без ПВХ)Резина (без ПВХ)
ПробкаПробка
Анодированный алюминий (гравировка)Анодированный алюминий (гравировка)
Керамическая плитка (гравировка)Керамическая плитка (гравировка)
АкрилАкрил
Камень (гравировка)Камень (гравировка)
Бумага и картонБумага и картон
ТканиТкани
Металлы (гравировка)Металлы (гравировка)
Специальные материалыСпециальные материалы
СтеклоСтекло
И многие другие материалы указаны в таблице ниже.

PLH3D-XT8 – таблица скоростей резки и гравировки

Примеры скоростей резки и гравировки с PLH3D-XT8

МатериалТип операцииТолщинаСкоростьМощность лазераПроходы
Дерево Гравировка N/A 350 мм/с (827 дюйм/мин) 100% 1
Гравировка N/A 70 мм/с (165 дюйм/мин) 20% 1
Фанера Гравировка N/A 350 мм/с (827 дюйм/мин) 100% 1
Резка 3 мм (0.118") 22.5 мм/с (53.1 дюйм/мин) 100% 1
Резка 4 мм (0.157") 12 мм/с (28 дюйм/мин) 100% 1
Резка 6 мм (0.236") 6 мм/с (14 дюйм/мин) 100% 1
Резка 10 мм (0.394") 3 мм/с (7 дюйм/мин) 100% 1
ДВП высокой плотности (HDF) Гравировка N/A 350 мм/с (827 дюйм/мин) 100% 1
Резка 3 мм (0.118") 12 мм/с (28 дюйм/мин) 100% 1
МДФ средней плотности (MDF) Гравировка N/A 350 мм/с (827 дюйм/мин) 100% 1
Резка 7.5 мм (0.295") 4 мм/с (9.4 дюйм/мин) 100% 1
Бальза Гравировка N/A 350 мм/с (827 дюйм/мин) 100% 1
Резка 12 мм (0.472") 40 мм/с (94 дюйм/мин) 100% 2
Сосна Гравировка N/A 350 мм/с (827 дюйм/мин) 100% 1
Резка 15 мм (0.591") 3 мм/с (7 дюйм/мин) 100% 1
Свиная кожа top-grain, растительное дубление Гравировка N/A 3000 мм/с (7090 дюйм/мин) 100% 1
Гравировка N/A 60 мм/с (142 дюйм/мин) 2% 1
Резка 2 мм (0.079") 50 мм/с (118 дюйм/мин) 100% 1
Жёсткая бычья кожа full-grain, растительное дубление Гравировка N/A 3000 мм/с (7090 дюйм/мин) 100% 1
Гравировка N/A 60 мм/с (142 дюйм/мин) 2% 1
Резка 4 мм (0.157") 18 мм/с (42.5 дюйм/мин) 100% 1
Искусственная кожа PU (полиуретан) Резка 2 мм (0.079") 50 мм/с (118 дюйм/мин) 100% 1
Белый мрамор Глубокая гравировка N/A 52 мм/с (120 дюйм/мин) 100% 1
Сланец Гравировка N/A 140 мм/с (330 дюйм/мин) 100% 1
Чёрный акрил Резка 2 мм (0.079") 7 мм/с (17 дюйм/мин) 100% 1
Резка 5 мм (0.197") 6 мм/с (14 дюйм/мин) 100% 3
Резка 10 мм (0.394") 6 мм/с (14 дюйм/мин) 100% 4
Оранжевый прозрачный акрил Гравировка N/A 220 мм/с (520 дюйм/мин) 5% 1
Красный акрил Резка 2 мм (0.079") 4.2 мм/с (9.9 дюйм/мин) 100% 1
Зелёный акрил Резка 2 мм (0.079") 2.8 мм/с (6.6 дюйм/мин) 100% 1
Хлопок Гравировка N/A 180 мм/с (425 дюйм/мин) 15% 1
Деним Резка 0.5 мм (0.0197") 255 мм/с (602 дюйм/мин) 100% 1
Высокоплотный армированный нейлон Резка 3.6 мм (0.142") 6 мм/с (14.2 дюйм/мин) 100% 1
Белый полиэстер Резка 0.2 мм (0.00787") 60 мм/с (142 дюйм/мин) 100% 1
Белый полиэстер высокой плотности Резка 0.4 мм (0.0157") 25 мм/с (59 дюйм/мин) 100% 1
Cordura Резка 0.35 мм (0.0138") 150 мм/с (354 дюйм/мин) 100% 1
Резка 0.5 мм (0.0197") 95 мм/с (224 дюйм/мин) 100% 1
Фетр Резка 4 мм (0.1575") 70 мм/с (165 дюйм/мин) 100% 1
Полимерная пена Резка 40 мм (1.575") 5 мм/с (12 дюйм/мин) 100% 1
Резка 40 мм (1.575") 15 мм/с (35 дюйм/мин) 100% 3
Пена EVA Резка 3 мм (0.118") 140 мм/с (331 дюйм/мин) 100% 1
Резка 5 мм (0.197") 85 мм/с (201 дюйм/мин) 100% 1
Полиуретановая пена (PU) Резка 10 мм (0.394") 88.5 мм/с (209 дюйм/мин) 100% 1
Углеродное волокно Резка 0.5 мм (0.0197") 15 мм/с (35.4 дюйм/мин) 100% 1
Стекловолокно Резка 0.7 мм (0.0276") 5 мм/с (11.8 дюйм/мин) 100% 1
Нержавеющая сталь Глубокая гравировка N/A 70 мм/с (165 дюйм/мин) 25% 1
Глубокая гравировка N/A 280 мм/с (661 дюйм/мин) 100% 1
Маркировка N/A 865 мм/с (2040 дюйм/мин) 100% 1
Инструментальная сталь Глубокая гравировка N/A 70 мм/с (165 дюйм/мин) 25% 1
Глубокая гравировка N/A 280 мм/с (661 дюйм/мин) 100% 1
Маркировка N/A 865 мм/с (2040 дюйм/мин) 100% 1

Характеристики и преимущества лазерной головки PLH3D-XT8

Непревзойдённая глубина фокусировки: Благодаря впечатляющей глубине фокуса и увеличенной «талии» луча XT8 устраняет необходимость постоянных настроек и обеспечивает резку за один проход, ускоряя вашу работу.

Лазерная головка XT8 идеально гравирует неровную поверхность без настройки оптики

Точность в работе: Размер пятна PLH3D-XT8 менее 200 µm позволяет получать точнейшие детали для художественных работ и без усилий прорезать материалы, такие как древесина 15 mm. Благодаря высоко-симметричному лучу ширина пропила (kerf) остаётся одинаковой в любом направлении сканирования.

Головка XT8 прорезает древесину толщиной 15 mm на станке X-Carve

Гравировка в градациях серого и резка на полной мощности: Переключайтесь между двумя режимами: 50 % мощности для детальной гравировки или высокоскоростная резка при 100 % мощности — быстро адаптируйтесь к разным материалам и задачам.

Головка XT8 демонстрирует точную гравировку и резку толстых материалов

Встроенное сопло воздушной продувки: Повышайте эффективность резки с нашим интегрированным соплом. Получайте до шести раз более высокие скорости реза и меньше термических повреждений обрабатываемого материала. Также помогает держать защитное окно и основную линзу в чистоте.

Крупный план луча XT8, проходящего через встроенное воздушное сопло; демонстрация большой глубины фокусировки

Медный радиатор с тепловыми трубками: Наша передовая система охлаждения обеспечивает оптимальную эффективность и большой ресурс, эффективно отводя тепло к дополнительному радиатору.

Высокоэффективный медный радиатор с тепловыми трубками, обеспечивающий оптимальный отвод тепла в головке XT8

Безопасность эксплуатации: Сигнальный светодиод сообщает о режиме «armed» (готовности) лазера и предупреждает о перегреве — для большей безопасности и корректного управления температурой.

Лазерная головка XT8 со светящимся LED, указывающим готовность к работе

Сверхбыстрый встроенный драйвер: Оцените непревзойдённую производительность интегрированного драйвера, обеспечивающего точную гравировку и стабильные результаты. Близкое расположение лазерных диодов к драйверу позволяет выполнять высокочастотную модуляцию тока.

Сверхбыстрый встроенный драйвер для головки XT8, обеспечивающий высокую скорость и точность

Полностью металлический корпус: Корпус лазера полностью выполнен из прочного металла, обеспечивая надёжную защиту и увеличенный срок службы устройства.

Прочный полностью металлический корпус лазерной головки XT8, включая надёжный кабельный зажим



Программное обеспечение LightBurn — получите скидку 10% при покупке с наборами Opt Lasers

Сэкономьте 10%, добавив LightBurn к вашему комплекту XF+, XT-50 или XT8.

При совместной покупке с нашими наборами Plug&Play LightBurn предлагается по эксклюзивной сниженной цене — вы начинаете с первого дня с лучшими инструментами и наилучшим соотношением стоимости и эффективности. Широко признанный пользователями лазерного оборудования по всему миру, LightBurn — самый популярный выбор сообщества, с тысячами проданных лицензий.

Программное обеспечение LightBurn доступно как опциональный аксессуар к нашим лазерным наборам или головам и совместимо со всеми модулями Opt Lasers для резки и гравировки — включая XT8, XT-50 и XF+. Оно упрощает рабочий процесс и обеспечивает точное управление для достижения оптимальных результатов резки и гравировки. Добавить его можно в разделе Accessories в верхней части страницы.

Совет по совместимости: Совместимость LightBurn зависит от контроллера движения/прошивки вашего станка (а не от самого лазерного модуля). Решение работает с большинством доступных CNC-контроллеров и включает настраиваемый постпроцессор G-Code. Однако перед покупкой обязательно убедитесь, что ваш контроллер поддерживается.

Независимо от того, работаете ли вы с древесиной, полимерами, кожей или пеноматериалами, сочетание LightBurn с аппаратной платформой Opt Lasers обеспечивает надежные, эффективные и высококачественные результаты.

Программное обеспечение LightBurn для лазерной гравировки и резки

Истории клиентов – Opt Lasers

История клиента — Nicky Norton с Opt Lasers XT-50

Nicky Norton — автор метода Norton — широко применяемого рабочего процесса прежде всего для лазерной гравировки на керамических плитках (Norton White Tile), который также вдохновил проекты по дереву и нержавеющей стали. Его работы широко распространяются в группах мастеров в Facebook, постоянно получают признание и помогают новичкам улучшать результаты.

"(... ) Потом я увидел несколько публикаций с потрясающими гравировками от людей, использующих Opt Lasers PL3D-XT-50 мощностью 6 Вт. Я связался с Opt Lasers и вскоре получил один модуль. Как только я распаковал его, я понял, что это высококачественный, точно изготовленный модуль. Небольшие первоначальные сложности с подключением к моему лазерному станку были быстро преодолены благодаря великолепной поддержке Opt Lasers через сообщения, e-mail и звонки в Zoom. Точность и аккуратность этого лазера с пятном 30 × 50 мкм (исключительно высокая плотность энергии лазерного излучения, fluence) быстро показали, что качеству получаемых мной гравировок нет равных.

В целом работа с продуктами и службой поддержки Opt Lasers стала очень позитивным опытом и вновь разожгла мой энтузиазм к использованию диодной гравировки."
— Nicky Norton
История клиента — Kris Crawford с Opt Lasers

Kris Crawford — канадский мейкер и автор контента проекта Further North Fabrication, публикующий работы по деревообработке и металлообработке на YouTube и Instagram. С 2021 года он использует Opt Lasers, чтобы добавлять сложные детали к подаркам для клиентов и личным проектам — это авторитетный голос, вдохновляющий других на освоение лазерного производства с ЧПУ.

"(... ) Интеграция лазера с моим модифицированным X-Carve CNC прошла безукоризненно и с тех пор значительно расширила возможности моей установки. Точность и универсальность модуля Opt Lasers кардинально повлияли на мои DIY-проекты, позволяя создавать сложные рисунки и добавлять детализированные гравировки на самых разных материалах. Будь то дерево, акрил или металл — лазер каждый раз обеспечивает выдающиеся результаты."
— Kris Crawford
История клиента — April Wilkerson с Opt Lasers

April Wilkerson — мастер на все руки из Техаса, столяр и металлист, известная на YouTube как @AprilWilkerson, с более чем 1,5 миллиона подписчиков. От YouTube до ТВ — её пошаговые проекты помогают мастерам по всему миру, теперь и с применением лазерных проектов.

"(... ) Установка и запуск оказались удивительно гладкими и простыми — действительно plug and play. Но поскольку это был мой первый лазер, вначале мне понадобились советы, и ребята из Opt были великолепны: оперативные, знающие и всегда готовые уделить время, чтобы подробно ответить на мои вопросы. Они даже ответили на вопросы, которые я не догадалась бы задать!"
— April Wilkerson
История клиента — Jim Neeb с Opt Lasers

Jim Neeb — инженер на пенсии и столяр с 45-летним стажем, поддерживающий Opt Lasers с первых дней через свой канал на YouTube @JNWoodworks и нашу официальную пользовательскую группу. Он известен понятными, практичными рекомендациями и выверенными демонстрациями, помогающими мастерам овладевать лазерными технологиями. Также он является официальным тестировщиком в сотрудничестве с Avid CNC.

"(... ) Opt Lasers — ЕДИНСТВЕННАЯ компания диодных лазеров, которую я рекомендую, потому что на самом деле нет других компаний с продуктами, сопоставимыми по уровню качества и обслуживания клиентов. Я говорю это уверенно как на основании собственного опыта, так и по отзывам зрителей моего YouTube-канала со всего мира."
— Jim Neeb

Технические характеристики продукта

PLH3D-XT8
Максимальная оптическая мощность 45 W
Типичный размер пятна (X × Y @ WD 21 mm) ≈180 × 180 μm
Габариты лазерной головки (Д x Ш x В) 76 x 89 x 194 mm
(3 x 3,5 x 7,64 in.)
Масса лазерной головки, тип. 1050g (2.31 lb.)
С LaserDock: 1230g (2.71 lb.)
Расход воздуха вентилятора 92 m3/h (53 CFM)
Уровень шума вентилятора 58 dBA
Схема расположения монтажных отверстий 5x 4 отверстия, 24 x 15 mm
(0.94 x 0.59 in.)
Тип монтажного отверстия M3 x 0.5 x 3 mm
Макс. температура окружающей среды 40°C (104°F)
Вход модуляции PWM/TTL,
0 – 24 V
Рекомендуемая базовая частота PWM 1 – 10 kHz
Макс. полоса пропускания модуляции 30 kHz
Входное сопротивление модуляции >1 kΩ
Напряжение блока питания (PSU) 24 V
Мин. ток PSU 24 V 8 A
Максимальная потребляемая мощность 170 W

Лазерная головка PLH3D-XT8 – Часто задаваемые вопросы (FAQ)

PLH3D-XT8 совместима с большинством станков с ЧПУ, включая популярные марки X-Carve, Shapeoko, Stepcraft. Установка возможна с использованием входящего в комплект универсального крепления или LaserDock. Совместимость с вашим контроллером ЧПУ обеспечивается через PLH3D-CNC Adapter Pro, который поддерживает входы PWM, TTL и аналоговые (0–3 В, 0–5 В или 0–24 В).

XT8 справляется с резкой и гравировкой древесины, фанеры, MDF, кожи, резины, текстиля, пеноматериалов, акрила и многих других материалов. Возможна также гравировка по покрытым металлам и по некоторым «голым» металлам (с подбором угла). Мощный оптический луч ~45 Вт обеспечивает резку тонких материалов за один проход и многопроходную резку более толстых заготовок.

Первичная установка занимает ~30 минут. С магнитной системой LaserDock PRO ежедневное подключение/снятие выполняется за секунды. Все разъёмы — Plug&Play и входят в комплект.

В комплект входит инструмент Height Reference Tool для быстрой ручной фокусировки. Поместите его на материал и установите номинальное рабочее расстояние лазера 21 мм. Для резки корректируйте в зависимости от толщины материала.

XT8 подключается через PLH3D-CNC Adapter Pro с поддержкой TTL, PWM и аналоговых входов. Блок питания 24 В и все кабели входят в комплект.

Да — в XT8 интегрировано регулируемое сопло High-Pressure Air Assist, улучшающее скорость/качество резки за счёт удаления продуктов обработки и охлаждения зоны реза. Совместимо с распространёнными малогабаритными компрессорами (рекомендуемый реальный расход ~10–15 l/min для большинства материалов).

XT8 оснащена защитой от перегрева и должна использоваться с сертифицированными защитными очками CE (OD7+ для 190–540 нм). Автоматически отключается при 58 °C и возобновляет работу при 50 °C. Всегда соблюдайте стандарты лазерной безопасности (например, ANSI Z136.1).

Типичный ресурс работы составляет 20 000–30 000 часов. В случае отказа диода узел часто можно восстановить заменой диода. Для максимальной долговечности регулярно очищайте оптику и обеспечивайте правильный воздушный поток.

Да, но наклоните заготовку (или лазер) примерно на ~, чтобы отражённое излучение не возвращалось в диоды. Для металлов в целом делайте небольшой наклон и направляйте луч от оператора. Всегда используйте очки OD7+.

Используйте любой CAM, выводящий G-code: LightBurn (рекомендуется), Vectric, Fusion 360 или бесплатные утилиты типа LaserGRBL. LightBurn обеспечивает расширенное управление, гравировку изображений и простую настройку с нашими пресетами.

  • Максимальная оптическая мощность: 45 Вт; типичная: 38–43 Вт
  • Длина волны: 450 ± 10 нм; фокусируемое пятно <180 мкм
  • Рабочее расстояние: 21 мм
  • Питание: 24 В, мин. 8,5 А; макс. потребление 170 Вт
  • Входы модуляции: PWM/TTL/аналоговый (поддерживаются 0–3/5/24 В)
  • Рекомендуемая базовая частота PWM: 1–5 кГц (полоса до 10 кГц)
  • Масса головки: ~1150 г (с LaserDock: ~1330 г)
  • Макс. температура окружающей среды: 40 °C

Гравировка: Установите номинальное рабочее расстояние 21 мм, используя Height Reference Tool для быстрой и повторяемой фокусировки.

Резка (тонкие 1–6 мм): Фокусируйте так, чтобы минимальное пятно находилось близко к середине толщины материала (начните с 21 мм, затем опустите на половину толщины).

Резка (толще >6 мм): Режьте послойно, немного опуская головку после каждого прохода; избегайте касания соплом детали. Некоторые материалы (например, берёзовая фанера, MDF, PU-пена, сосна) могут резаться толсто за один проход при подведённом вплотную сопле (без касания).

Режим «I» (50%): ~0–20 Вт для детализированной полутоновой гравировки и тонкой проработки.

Режим «II» (100%): полная мощность для высокоскоростной чёрно-белой гравировки и эффективной резки, включая более толстые материалы.

XT8 принимает управление PWM/TTL/аналог: 0–3 В, 0–5 В и 0–24 В на входе Mod Input #2 (PWM). Используйте базовую частоту PWM 1–5 кГц (более высокие частоты дают более гладкие полутона). Логическая «1» ≥3 В; «0» ≤0,8 В. Не подключайте сигналы одновременно к аналоговому и PWM-входам (общая «земля»).

Рекомендуемый реальный расход компрессора: 10–12 l/min с ресивером ≥50 л для комфортной работы. Многие пользователи успешно применяют и меньшие установки (например, 5 л), но результаты различаются. Установите фильтр и маслоотделитель; во влажном климате добавьте осушитель воздуха для исключения конденсата.

Уставки расхода: резка ~5–15 l/min; гравировка ~1–5 l/min. Избегайте >~15–20 l/min, т.к. это может уменьшить скорость резки. Настоятельно рекомендуется расходомер.

Зафиксируйте задний держатель кабеля, затем плотно подключите кабель к XT8. Для прямого подключения соедините другой конец с Adapter PRO. При использовании LaserDock PRO установите часть со стороны лазера четырьмя винтами M4, выровняв по положению шпинделя, затем подключите короткий кабель и воздушный шланг.

Радиатор: Регулярно продувайте радиатор сжатым воздухом (особенно после «дымных» работ). Избегайте чрезмерного раскручивания вентилятора. Для более глубокой очистки снимайте переднюю крышку примерно каждые 100 часов.

Air Assist / сопло: Всегда используйте сопло Air Assist со стабильным, сухим и безмасляным потоком воздуха при резке и гравировке. Оно удерживает дым и частицы вдали от оптики, помогая сохранять чистыми защитное окно и главный объектив и уменьшая частоту чистки.

Оптика: Осматривайте защитное окно перед каждым использованием и очищайте ~каждые 100 часов. При повреждении замените (есть запасные). Главный объектив также следует очищать ~каждые 100 часов.

Средства очистки: Используйте только 99,9% безводный IPA и подходящие безворсовые материалы. Избегайте «rubbing alcohol» (~70% IPA + вода) и типичных салфеток для очков/микроскопов (могут оставлять следы). Прилагайте лишь усилие, достаточное для удаления загрязнений, чтобы не повредить покрытия.

Отзывы

Оставить отзыв