1 x PLH3D-XT8 Testina laser da 45W per taglio e incisione
Specifiche: Potenza ottica 45W, spot HD 125DPI 180um, spessore massimo di taglio del legno 20mm (¾" )
Ideale per: Taglio e incisione ad altissima velocità tipo CO2, taglio di materiali spessi
Nessun prodotto
Quantità:
Totale:
Totale prodotti: (IVA escl.)
Totale spedizione: Da determinare
Totale: (IVA escl.)
Kit di aggiornamento laserI2R PLH3D-XT8
Caratteristiche: Potenza ottica 45W, spot HD 125DPI 180um, spessore massimo di taglio del legno 20mm (¾")
Ideale per: Taglio e incisione ad altissima velocità tipo CO2, taglio di materiali spessi
Include: Testa laser, ugello aria, adattatore CNC Pro, occhiali di sicurezza laser, copertura del fascio, supporto e altro.
|
|
|
LaserDock PRO - Stazione di aggancio magnetica da laser a CNC |
|
|
|
LaserDock PRO - Solo parte laterale del laser |
|
|
|
|
|
|
|
Finestra di Sicurezza per Laser Blu |
|
|
|
|
|
|
|
PLH3D-XT8 Finestra di protezione |
|
|
|
|
Specifiche: Potenza ottica 45W, spot HD 125DPI 180um, spessore massimo di taglio del legno 20mm (¾" )
Ideale per: Taglio e incisione ad altissima velocità tipo CO2, taglio di materiali spessi
Fornisce la comunicazione tra le macchine CNC e le teste laser.
Garantisce un ulteriore livello di sicurezza per gli utenti e le teste laser.
Per alimentare le teste laser della serie PLH3D tramite l'adattatore PLH3D-CNC Pro.
Fornisce un'uscita affidabile di 24 V 8 A.
Viene spedito con una spina compatibile con gli standard utilizzati nel paese di destinazione.
✔ Occhiali di sicurezza laser con rating OD 7+ nell’intervallo da 190 a 540 nm.
✔ Riduzione del rischio di ingresso di luce negli occhi dell’utente da radiazione laser retro-diffusa.
Supporto in alluminio per il montaggio della testa laser PLH3D-XT8 o del LaserDock Pro sulle macchine CNC i2R.
Include un set di viti.
Cavo per collegare le teste dei laser della serie PLH3D o LaserDock Pro all'adattatore PLH3D-CNC Pro.
Trasferisce l'alimentazione e i segnali di controllo alla testa laser.
Riduce il riflesso della luce sul materiale lavorato e garantisce un raffreddamento ottimale della testa del laser.
Montabile sull'ugello di assistenza ad aria compressa.
Strumento compatto per una facile e rapida regolazione della distanza focale per gli incisori laser della serie PLH3D.
Set di adesivi per laser CNC.
Incluso in ogni kit laser di Opt Lasers.
Volete aggiornare la vostra macchina CNC con funzionalità laser? Le nostre teste laser XT8 Hyper-Performance per il taglio e l'incisione CNC sono la soluzione definitiva. Realizzate dal principale produttore e ideatore di teste laser del settore, le nostre impressionanti teste laser XT8 offrono prestazioni ineguagliabili.
La testa laser PLH3D-XT8 incorpora la tecnologia brevettata multi-laser a diodi di Opt Lasers, che ne determina le capacità all'avanguardia. Questo approccio innovativo garantisce prestazioni e precisione senza precedenti, stabilendo un nuovo standard nella lavorazione laser.
Questo kit I2R completo comprende tutti i componenti essenziali come gli occhiali di sicurezza laser, la copertura OptiShield Beam Cover, l'adattatore PLH3D-CNC Pro e un supporto in alluminio per una facile integrazione con le macchine CNC I2R. Inoltre, il kit è dotato di cavo di segnale I2R, fili di segnale e alimentatore, per garantire la compatibilità con il controller CNC I2R.
Affidatevi al meglio: questo kit è il vostro pacchetto Plug&Play completo, che offre prestazioni di altissimo livello e una configurazione senza problemi per la vostra macchina, da parte nostra, Opt Lasers.
Laser PLH3D-XT8 45W - Caratteristiche e prestazioni dimostrative
Una testa laser da 45W ad alte prestazioni con messa a fuoco profonda riduce al minimo la necessità di rifocalizzazione e consente tagli rapidi a passaggio singolo. Compatibile con un'ampia gamma di materiali, offre dettagli nitidi con una dimensione dello spot inferiore a 200 µm. Due modalità di alimentazione consentono un'incisione precisa in scala di grigi o un taglio a piena potenza. L'assistenza ad aria integrata, i tubi di calore in rame, il driver veloce, i LED di stato e il robusto corpo interamente in metallo garantiscono prestazioni stabili e affidabili.
Kit Plug & Play: come installare in pochi minuti
Una guida concisa per il cablaggio e la configurazione di un laser PLH3D su router popolari come X-Carve e Shapeoko. Illustra le impostazioni di prima esecuzione e i suggerimenti per tagli e incisioni puliti. Mostra un'ampia compatibilità con molte piattaforme CNC. Ideale come avvio rapido prima dell'installazione.
PLH3D-CNC Adapter PRO - Soluzione di controllo definitiva per l'installazione del laser CNC
Semplifica il cablaggio e il controllo con la conversione del segnale, l'impostazione guidata da OLED e le preimpostazioni pronte per il CNC. La diagnostica in tempo reale e la sicurezza a livelli (chiave, controllo del segnale, disarmo automatico) proteggono gli utenti e l'hardware. Funziona con tutte le teste laser PLH3D. Un robusto involucro anodizzato resiste alle esigenze dell'officina.
LaserDock PRO: Fissaggio semplice per le teste laser CNC
Accensione e spegnimento del laser in pochi secondi grazie alla precisione magnetica e all'aria/alimentazione integrata. La disconnessione automatica protegge dagli urti dell'asse Z, mentre i perni a molla placcati in oro e il blocco della posizione garantiscono un allineamento ripetibile. Compatibile con tutte le teste attuali e future, è un supporto ordinato e a prova di futuro. L'alluminio anodizzato garantisce la durata negli ambienti di lavoro.
Accessorio opzionale: aggiungetelo dall'elenco in cima a questa pagina.
Questi sono i materiali più utilizzati per il taglio e l’incisione laser con il PLH3D-XT8.
Più sotto trovi una tabella completa con i risultati dei test di velocità e potenza per molti altri materiali.

Legno
Compensato
Pelle
Schiuma
Gomma (non PVC)
Sughero
Alluminio anodizzato (incisione)
Piastrelle ceramiche (incisione)
Acrilico
Pietra (incisione)
Carta e cartone
Tessuti
Metalli (incisione)
Materiali speciali
Vetro
| Materiale | Tipo di operazione | Spessore | Velocità | Potenza laser | Passate |
|---|---|---|---|---|---|
| Legno | Incisione | N/A | 350 mm/s (827 pollici/min) | 100% | 1 |
| Incisione | N/A | 70 mm/s (165 pollici/min) | 20% | 1 | |
| Compensato | Incisione | N/A | 350 mm/s (827 pollici/min) | 100% | 1 |
| Taglio | 3 mm (0.118") | 22.5 mm/s (53.1 pollici/min) | 100% | 1 | |
| Taglio | 4 mm (0.157") | 12 mm/s (28 pollici/min) | 100% | 1 | |
| Taglio | 6 mm (0.236") | 6 mm/s (14 pollici/min) | 100% | 1 | |
| Taglio | 10 mm (0.394") | 3 mm/s (7 pollici/min) | 100% | 1 | |
| Pannello in fibra ad alta densità (HDF) | Incisione | N/A | 350 mm/s (827 pollici/min) | 100% | 1 |
| Taglio | 3 mm (0.118") | 12 mm/s (28 pollici/min) | 100% | 1 | |
| Pannello in fibra a media densità (MDF) | Incisione | N/A | 350 mm/s (827 pollici/min) | 100% | 1 |
| Taglio | 7.5 mm (0.295") | 4 mm/s (9.4 pollici/min) | 100% | 1 | |
| Balsa | Incisione | N/A | 350 mm/s (827 pollici/min) | 100% | 1 |
| Taglio | 12 mm (0.472") | 40 mm/s (94 pollici/min) | 100% | 2 | |
| Pino | Incisione | N/A | 350 mm/s (827 pollici/min) | 100% | 1 |
| Taglio | 15 mm (0.591") | 3 mm/s (7 pollici/min) | 100% | 1 | |
| Pelle suina fiore superiore conciata al vegetale | Incisione | N/A | 3000 mm/s (7090 pollici/min) | 100% | 1 |
| Incisione | N/A | 60 mm/s (142 pollici/min) | 2% | 1 | |
| Taglio | 2 mm (0.079") | 50 mm/s (118 pollici/min) | 100% | 1 | |
| Pelle bovina pieno fiore, conciata al vegetale, rigida | Incisione | N/A | 3000 mm/s (7090 pollici/min) | 100% | 1 |
| Incisione | N/A | 60 mm/s (142 pollici/min) | 2% | 1 | |
| Taglio | 4 mm (0.157") | 18 mm/s (42.5 pollici/min) | 100% | 1 | |
| Similpelle PU (poliuretano) | Taglio | 2 mm (0.079") | 50 mm/s (118 pollici/min) | 100% | 1 |
| Marmo bianco | Incisione (profonda) | N/A | 52 mm/s (120 pollici/min) | 100% | 1 |
| Ardesia | Incisione | N/A | 140 mm/s (330 pollici/min) | 100% | 1 |
| Acrilico nero | Taglio | 2 mm (0.079") | 7 mm/s (17 pollici/min) | 100% | 1 |
| Taglio | 5 mm (0.197") | 6 mm/s (14 pollici/min) | 100% | 3 | |
| Taglio | 10 mm (0.394") | 6 mm/s (14 pollici/min) | 100% | 4 | |
| Acrilico arancione trasparente | Incisione | N/A | 220 mm/s (520 pollici/min) | 5% | 1 |
| Acrilico rosso | Taglio | 2 mm (0.079") | 4.2 mm/s (9.9 pollici/min) | 100% | 1 |
| Acrilico verde | Taglio | 2 mm (0.079") | 2.8 mm/s (6.6 pollici/min) | 100% | 1 |
| Cotone | Incisione | N/A | 180 mm/s (425 pollici/min) | 15% | 1 |
| Denim | Taglio | 0.5 mm (0.0197") | 255 mm/s (602 pollici/min) | 100% | 1 |
| Nylon rinforzato ad alta densità | Taglio | 3.6 mm (0.142") | 6 mm/s (14.2 pollici/min) | 100% | 1 |
| Poliestere bianco | Taglio | 0.2 mm (0.00787") | 60 mm/s (142 pollici/min) | 100% | 1 |
| Poliestere bianco ad alta densità | Taglio | 0.4 mm (0.0157") | 25 mm/s (59 pollici/min) | 100% | 1 |
| Cordura | Taglio | 0.35 mm (0.0138") | 150 mm/s (354 pollici/min) | 100% | 1 |
| Taglio | 0.5 mm (0.0197") | 95 mm/s (224 pollici/min) | 100% | 1 | |
| Feltro | Taglio | 4 mm (0.1575") | 70 mm/s (165 pollici/min) | 100% | 1 |
| Schiuma polimerica | Taglio | 40 mm (1.575") | 5 mm/s (12 pollici/min) | 100% | 1 |
| Taglio | 40 mm (1.575") | 15 mm/s (35 pollici/min) | 100% | 3 | |
| Schiuma EVA | Taglio | 3 mm (0.118") | 140 mm/s (331 pollici/min) | 100% | 1 |
| Taglio | 5 mm (0.197") | 85 mm/s (201 pollici/min) | 100% | 1 | |
| Schiuma di poliuretano (PU) | Taglio | 10 mm (0.394") | 88.5 mm/s (209 pollici/min) | 100% | 1 |
| Fibra di carbonio | Taglio | 0.5 mm (0.0197") | 15 mm/s (35.4 pollici/min) | 100% | 1 |
| Fibra di vetro | Taglio | 0.7 mm (0.0276") | 5 mm/s (11.8 pollici/min) | 100% | 1 |
| Acciaio inossidabile | Incisione (profonda) | N/A | 70 mm/s (165 pollici/min) | 25% | 1 |
| Incisione (profonda) | N/A | 280 mm/s (661 pollici/min) | 100% | 1 | |
| Marcatura | N/A | 865 mm/s (2040 pollici/min) | 100% | 1 | |
| Acciaio per utensili | Incisione (profonda) | N/A | 70 mm/s (165 pollici/min) | 25% | 1 |
| Incisione (profonda) | N/A | 280 mm/s (661 pollici/min) | 100% | 1 | |
| Marcatura | N/A | 865 mm/s (2040 pollici/min) | 100% | 1 |
Profondità di fuoco senza pari: Grazie alla notevole profondità di fuoco e alla vita del fascio (waist) estesa, l’XT8 elimina la necessità di continue regolazioni e consente il taglio in un’unica passata, velocizzando il tuo lavoro.

Precisione in azione: La dimensione del punto laser del PLH3D-XT8, inferiore a 200 µm, permette di ottenere dettagli precisi per lavori artistici e di tagliare senza sforzo materiali come legno da 15 mm. Grazie al fascio altamente simmetrico, il kerf (larghezza di taglio) rimane uguale in entrambe le direzioni di scansione.

Incisione in scala di grigi e taglio a piena potenza: Passa tra due modalità: 50 % di potenza per incisioni dettagliate oppure taglio ad alta velocità con 100 % di potenza, adattandoti rapidamente a diversi materiali e applicazioni.

Ugello Air-Assist integrato: Migliora l’efficienza di taglio con il nostro ugello integrato. Ottieni velocità di taglio fino a sei volte superiori e minori danni termici al materiale lavorato. Aiuta anche a mantenere puliti la finestra di protezione e l’obiettivo principale.

Dissipatore con heatpipe in rame: La nostra tecnologia di raffreddamento avanzata garantisce prestazioni ottimali e grande longevità convogliando efficacemente il calore verso un dissipatore aggiuntivo.

Sicurezza operativa: Rimani informato con il nostro LED di segnalazione, che indica lo stato armato del laser e fornisce avvisi di surriscaldamento per maggiore sicurezza e corretta gestione della temperatura.

Driver integrato ultraveloce: Sperimenta prestazioni impareggiabili grazie al nostro driver integrato, che assicura incisioni precise e risultati affidabili. La stretta vicinanza dei diodi laser al driver consente la modulazione della corrente ad alta frequenza.

Corpo interamente in metallo: L’involucro del laser è realizzato completamente in metallo resistente, garantendo protezione robusta e maggiore durata del dispositivo.

Risparmia il 10% aggiungendo LightBurn al tuo kit XF+, XT-50 o XT8.
Se acquistato insieme ai nostri kit Plug&Play, LightBurn è offerto a un prezzo promozionale esclusivo — così parti fin dal primo giorno con gli strumenti migliori e il miglior rapporto prestazioni/costo. Ampiamente adottato dagli utenti laser di tutto il mondo, LightBurn è la scelta più popolare della community, con migliaia di licenze vendute.
Il software LightBurn è disponibile come accessorio opzionale con i nostri kit o teste laser ed è compatibile con tutti i moduli di taglio e incisione Opt Lasers — inclusi XT8, XT-50 e XF+. Semplifica il flusso di lavoro e fornisce un controllo accurato per ottenere risultati ottimali di taglio e incisione. Puoi aggiungerlo dalla sezione Accessories in cima alla pagina.
Suggerimento di compatibilità: La compatibilità di LightBurn dipende dal motion controller/firmware della tua macchina (non dal modulo laser). Funziona con la maggior parte dei controllori CNC disponibili e include un post-processore G-Code personalizzato. Verifica comunque prima dell’acquisto che il tuo controllore sia supportato.
Che tu lavori con legno, polimeri, pelle o foam, l’abbinamento di LightBurn con l’hardware Opt Lasers garantisce risultati affidabili, efficienti e di alta qualità.


Nicky Norton è il creatore del Metodo Norton — un flusso di lavoro ampiamente adottato principalmente per l’incisione laser su piastrelle ceramiche (Norton White Tile), che ha ispirato anche lavorazioni su legno e acciaio inossidabile. I suoi progetti circolano ampiamente nei gruppi di maker su Facebook, ricevendo costantemente riconoscimenti e aiutando i principianti a migliorare i risultati.
"(... ) Poi ho visto alcuni post con incisioni fantastiche realizzate da persone che utilizzavano l’Opt Lasers PL3D-XT-50 da 6 watt. Ho contattato Opt Lasers e in breve tempo ne ho avuto uno. Appena l’ho scartato ho capito che si trattava di un modulo di precisione costruito con altissima qualità. Alcune difficoltà iniziali nel collegarlo alla mia macchina laser sono state superate rapidamente grazie al supporto eccezionale che ho ricevuto dal team di Opt Lasers tramite messaggi/e-mail e chiamate Zoom. La precisione e l’accuratezza di questo laser, con un fascio di 30 × 50 micron (fluenza laser incredibilmente elevata), si sono presto rivelate ineguagliabili per la qualità delle incisioni che sono riuscito a ottenere.
In generale, lavorare con i prodotti e il team di supporto di Opt Lasers è stata un’esperienza molto positiva e ha rinnovato il mio entusiasmo per l’uso dell’incisione a diodo."

Kris Crawford è un maker canadese e content creator dietro Further North Fabrication, che condivide progetti di lavorazione del legno e del metallo su YouTube e Instagram. Dal 2021 utilizza Opt Lasers per aggiungere dettagli complessi a regali per clienti e progetti personali — una voce autorevole che incoraggia altri a esplorare la fabbricazione laser su CNC.
"(... ) L’integrazione del laser con il mio X-Carve CNC modificato è stata un processo senza intoppi e da allora ha ampliato le capacità del mio setup. La precisione e la versatilità del modulo Opt Lasers sono state un vero game-changer per i miei progetti fai-da-te, permettendomi di creare design complessi e aggiungere incisioni dettagliate su una varietà di materiali. Che lavori su legno, acrilico o metallo, il laser fornisce risultati eccezionali ogni volta."

April Wilkerson è una maker del Texas, appassionata di fai-da-te, falegnameria e lavorazione dei metalli — conosciuta su YouTube come @AprilWilkerson — con oltre 1,5 milioni di iscritti. Da YouTube alla TV, le sue guide passo-passo danno strumenti ai maker di tutto il mondo, ora con progetti laser nel mix.
"(... ) L’installazione e l’operatività sono state sorprendentemente fluide e semplici, davvero plug and play. Poiché questo era il mio primo laser, avevo bisogno di consigli sin dall’inizio e il team di Opt è stato fantastico: reattivo, competente e sempre disposto a prendersi il tempo per rispondere in modo approfondito alle mie domande. Hanno persino risposto a domande che non sapevo di dover fare!"

Jim Neeb è un ingegnere in pensione e falegname con 45 anni di esperienza che supporta Opt Lasers sin dagli inizi tramite il suo canale YouTube @JNWoodworks e il nostro gruppo utenti ufficiale. È noto per la guida chiara e pratica e per le demo curate che aiutano i maker a padroneggiare le tecniche laser. È anche tester ufficiale in collaborazione con Avid CNC.
"(... ) Opt Lasers è l’UNICA azienda di laser a diodo che raccomando perché, di fatto, non ci sono altre aziende con prodotti nemmeno vicini al loro livello di qualità e assistenza clienti. Posso dirlo con sicurezza sulla base della mia esperienza e dei riscontri che ricevo dai miei contatti e spettatori YouTube in tutto il mondo."
| PLH3D-XT8 | |
|---|---|
| Potenza ottica massima | 45 W |
| Dimensione tipica dello spot (X × Y @ WD 21 mm) | ≈180 × 180 μm |
| Dimensioni della testa laser (L x W x H) | 76 x 89 x 194 mm (3 x 3,5 x 7,64 in.) |
| Massa della testa laser, tip. | 1050g (2.31 lb.) Con LaserDock: 1230g (2.71 lb.) |
| Portata della ventola | 92 m3/h (53 CFM) |
| Rumorosità della ventola | 58 dBA |
| Schema dei fori di fissaggio | 5x 4 fori, 24 x 15 mm (0.94 x 0.59 in.) |
| Tipo di foro di fissaggio | M3 x 0.5 x 3 mm |
| Temperatura ambiente max. | 40°C (104°F) |
| Ingresso di modulazione | PWM/TTL, 0 – 24 V |
| Frequenza base PWM consigliata | 1 – 10 kHz |
| Larghezza di banda di modulazione max. | 30 kHz |
| Impedenza d’ingresso di modulazione | >1 kΩ |
| Tensione dell’alimentatore | 24 V |
| Corrente minima dell’alimentatore 24 V | 8 A |
| Potenza assorbita massima | 170 W |
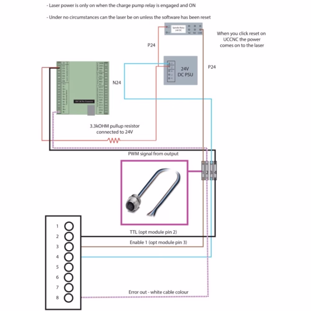
La PLH3D-XT8 è compatibile con la maggior parte delle macchine CNC, incluse quelle di marchi popolari come X-Carve, Shapeoko e Stepcraft. Può essere montata utilizzando il supporto universale incluso o il LaserDock. La compatibilità con il tuo controller CNC è garantita tramite il PLH3D-CNC Adapter Pro, che supporta ingressi PWM, TTL e analogici (0–3 V, 0–5 V o 0–24 V).
La XT8 può tagliare o incidere legno, compensato, MDF, pelle, gomma, tessuti, schiume, acrilico e molti altri. Può inoltre incidere metalli rivestiti e alcuni metalli nudi (con regolazione dell’angolo). Il suo fascio ottico di ~45 W consente il taglio in passata singola su materiali sottili e a più passate per spessori maggiori.
L’installazione iniziale richiede ~30 minuti. Con il sistema magnetico LaserDock PRO, l’aggancio/sgancio giornaliero richiede pochi secondi. Tutti i connettori sono Plug&Play e forniti nel kit.
Il kit include uno strumento di riferimento dell’altezza per una messa a fuoco manuale rapida. Posizionalo sul materiale e imposta la distanza di lavoro nominale a 21 mm. Per il taglio, regola in base allo spessore del materiale.
La XT8 si collega tramite il PLH3D-CNC Adapter Pro, che supporta ingressi TTL, PWM e analogici. Un’alimentazione a 24 V e tutti i cavi sono inclusi.
Sì — la XT8 integra un ugello di assistenza d’aria ad alta pressione regolabile per aumentare velocità/qualità di taglio rimuovendo i detriti e raffreddando il solco di taglio. Funziona con comuni piccoli compressori (portata reale raccomandata ~10–15 l/min per la maggior parte dei materiali).
La XT8 dispone di protezione da sovratemperatura e deve essere utilizzata con occhiali di sicurezza laser certificati CE (OD7+ per 190–540 nm). Si spegne automaticamente a 58 °C e riprende a 50 °C. Seguire sempre le norme di sicurezza laser (ad es. ANSI Z136.1).
La vita operativa tipica è di 20.000–30.000 ore. In caso di guasto di un diodo, l’unità può spesso essere riparata sostituendo il diodo. Pulisci regolarmente l’ottica e assicurati di avere un adeguato flusso d’aria per la massima longevità.
Sì, ma inclina il pezzo (o il laser) di ~7° in modo che la riflessione non ritorni verso i diodi. Per i metalli in generale, applica una leggera inclinazione e assicurati che il fascio sia orientato lontano dall’operatore. Indossa sempre occhiali OD7+.
Usa qualsiasi CAM che generi G-code: LightBurn (consigliato), Vectric, Fusion 360 o strumenti gratuiti come LaserGRBL. LightBurn offre controllo avanzato, incisione di immagini e configurazione semplice con i nostri preset.
Incisione: Imposta la distanza di lavoro nominale a 21 mm utilizzando lo strumento di riferimento dell’altezza per una messa a fuoco rapida e ripetibile.
Taglio (sottile 1–6 mm): Metti a fuoco in modo che lo spot minimo cada circa al centro dello spessore (parti da 21 mm, poi abbassa di metà dello spessore).
Taglio (spesso >6 mm): Esegui il taglio a strati, abbassando leggermente la testa dopo ogni passata; evita di toccare il pezzo con l’ugello. Alcuni materiali (es. compensato di betulla, MDF, schiuma PU, pino) possono essere tagliati spessi in un’unica passata con l’ugello vicino alla superficie (senza contatto).
Modalità “I” (50 %): ~0–20 W per incisioni in scala di grigi dettagliate e sfumature fini.
Modalità “II” (100 %): piena potenza per incisione bianco/nero ad alta velocità e taglio efficiente, inclusi materiali più spessi.
La XT8 accetta comandi PWM/TTL/analogici: 0–3 V, 0–5 V e 0–24 V sull’ingresso Mod #2 (PWM). Usa una frequenza base PWM di 1–5 kHz (frequenze più alte possono fornire una scala di grigi più uniforme). Livello logico “alto” ≥3 V; “basso” ≤0,8 V. Non collegare segnali contemporaneamente agli ingressi analogico e PWM (condividono la massa).
Portata reale consigliata del compressore: 10–12 l/min con un serbatoio ≥50 L per un funzionamento confortevole. Molti utenti ottengono buoni risultati con unità più piccole (es. 5 L), ma i risultati variano. Installa un filtro e separatore d’olio; in climi umidi aggiungi un essiccatore d’aria per evitare gocce d’acqua.
Setpoint di portata: taglio ~5–15 l/min; incisione ~1–5 l/min. Evita di superare ~15–20 l/min perché potrebbe ridurre la velocità di taglio. Un misuratore di portata è altamente raccomandato.
Fissa il ferma-cavo posteriore, quindi inserisci saldamente il cavo nella XT8. Per l’uso diretto, collega l’altra estremità all’Adapter PRO. Con LaserDock PRO, monta la parte lato laser con quattro viti M4 allineate alla posizione del mandrino, quindi collega il cavo corto e il tubo dell’aria.
Dissipatore: Soffia regolarmente aria compressa attraverso il dissipatore (soprattutto dopo lavorazioni molto fumose). Evita di far girare la ventola in overspeed. Per una pulizia più profonda, rimuovi il coperchio anteriore ~ogni 100 ore.
Assistenza d’aria / ugello: Utilizza sempre l’ugello di assistenza d’aria con un flusso costante, secco e privo d’olio durante taglio e incisione. Mantiene fumi e detriti lontani dall’ottica, contribuendo a mantenere pulita la finestra di protezione e la lente principale e riducendo la frequenza delle pulizie.
Ottica: Ispeziona la finestra protettiva prima di ogni uso e puliscila ~ogni 100 ore. Sostituiscila se danneggiata (ricambio disponibile). Anche la lente principale va pulita ~ogni 100 ore.
Agenti di pulizia: Usa solo IPA anidro al 99,9 % e materiali corretti privi di pelucchi. Evita il “rubbing alcohol” (~70 % IPA + acqua) e le comuni salviette per occhiali/microscopi (possono lasciare residui). Applica solo la forza necessaria a rimuovere la contaminazione per proteggere i rivestimenti.
20/03/2024
Amazing
Okay, so I finaly caved and got this laser for my i2r and I love its versatility. I can cut thick plywood and engrave it with high DPI thanks to the little switch on the laser. Genuinely in love.
17/03/2024
great support from Jacob
I am very satisfied with my purchase
17/03/2024
Great option in 2024
adding the PLH3D-XT8 to my tools has been a great idea for me :)) Now i have to work out how to work with plexi
11/03/2024
Precisione senza pari
Da artigiano, la precisione è tutto. Questo laser blu di Opt Lasers ha portato i miei progetti di incisione e taglio a un livello completamente nuovo. La qualità del taglio è eccezionale, con dettagli fini che prima non riuscivo a ottenere. Un vero e proprio cambio di gioco per il mio lavoro.