1 x PLH3D-XT8 45W laserhoved til skæring og gravering
Specifikationer: 45W optisk effekt, HD 125DPI 180um spot, maks. tykkelse på træskæring 20mm (¾")
Bedst til: CO2-lignende ultrahøjhastighedsskæring og -gravering, skæring i tykke materialer
Ingen produkter
Antal:
I alt:
Total produkter: (ekskl. moms)
Samlet forsendelse: Skal fastsættes
I alt: (ekskl. moms)
I2R PLH3D-XT8 laseropgraderingssæt
Specifikationer: 45W optisk effekt, HD 125DPI 180um spot, maks. tykkelse på træskæring 20mm (¾")
Bedst til: CO2-lignende ultrahøjhastighedsskæring og -gravering, skæring i tykke materialer
Inkluderer: Laserhoved, luftdyse, CNC Adapter Pro, lasersikkerhedsbriller, stråledæksel, montering og meget mere.
|
|
|
LaserDock PRO - Laser til CNC magnetisk dockingstation |
|
|
|
LaserDock PRO - kun del til lasersiden |
|
|
|
LaserDock PRO - Kun CNC-sidedel |
|
|
|
2 års forsikring for kollision eller fald af laserhoved |
|
|
|
|
|
|
|
|
|
|
|
Sæt med CNC-laserklistermærker |
Specifikationer: 45W optisk effekt, HD 125DPI 180um spot, maks. tykkelse på træskæring 20mm (¾")
Bedst til: CO2-lignende ultrahøjhastighedsskæring og -gravering, skæring i tykke materialer
✔ Sørger for kommunikation mellem CNC-maskiner og laserhoveder.
✔ Sikrer et ekstra lag af sikkerhed for brugere og laserhoveder.
✔ Til strømforsyning af PLH3D-seriens laserhoveder via PLH3D-CNC Adapter Pro.
✔ Leverer et pålideligt output på 24 V 8 A.
✔ Leveres med et stik, der er kompatibelt med de standarder, der anvendes i destinationslandet.
✔ Laserbeskyttelsesbriller klassificeret til OD 7+ i området 190 til 540 nm.
✔ Reducerer risikoen for, at lys rammer brugerens øjne fra tilbagespredt laserlys.
✔ Aluminiumsholder til montering af PLH3D-XT8-laserhovedet eller LaserDock Pro på i2R CNC-maskiner.
✔ Inkluderer et sæt skruer.
✔ Kabel til tilslutning af PLH3D-seriens laserhoveder eller LaserDock Pro til PLH3D-CNC Adapter Pro.
✔ Overfører strøm og styresignaler til laserhovedet.
✔ Reducerer lysrefleksion fra det bearbejdede materiale og sikrer optimal køling af laserhovedet.
✔ Kan monteres på højtryksluftdysen.
✔ Kompakt værktøj til nem og hurtig justering af brændvidden på lasergraveringsmaskiner i PLH3D-serien.
✔ Sæt med CNC-laserklistermærker.
✔ Inkluderet i alle lasersæt fra Opt Lasers.
Ønsker du at opgradere din CNC-maskine med laserfunktioner? Vores Hyper-Performance XT8 CNC-skære- og graveringslaserhoveder er den ultimative løsning. Vores imponerende XT8-laserhoveder er fremstillet af branchens førende producent og konceptudvikler af laserhoveder og leverer en uovertruffen ydeevne.
PLH3D-XT8-laserhovedet indeholder Opt Lasers' patenterede multi-laserdiodeteknologi, der driver dets banebrydende evner. Denne innovative tilgang sikrer uovertruffen ydeevne og præcision og sætter en ny standard inden for laserbearbejdning.
Dette omfattende I2R-sæt indeholder alle vigtige komponenter såsom lasersikkerhedsbriller, OptiShield Beam Cover, PLH3D-CNC Adapter Pro og en aluminiumsholder til nem integration med I2R CNC-maskiner. Desuden er sættet udstyret med I2R-signalkabel, signalkabler og en PSU, der sikrer kompatibilitet med I2R CNC-controlleren.
Stol på det bedste - dette kit er din alt-i-en Plug&Play-pakke, der leverer førsteklasses ydeevne og problemfri opsætning til din maskine, fra os, Opt Lasers.
PLH3D-XT8 45W-laser - demonstration af funktioner og ydeevne
Et højtydende 45W-laserhoved med dybt fokus minimerer behovet for refokusering og muliggør hurtige snit i én arbejdsgang. Den er kompatibel med en lang række materialer og leverer skarpe detaljer med en spotstørrelse på under 200 µm. To effekttilstande giver mulighed for præcis gravering i gråtoner eller skæring med fuld effekt. Integreret luftassistance, kobbervarmerør, en hurtig driver, status-LED'er og et robust metalhus sikrer en stabil og pålidelig ydelse.
Plug & Play-sæt - Sådan installeres de på få minutter
En kortfattet gennemgang af ledningsføring og konfiguration af en PLH3D-laser på populære fræsere som X-Carve og Shapeoko. Omfatter førstegangsindstillinger og tips til rene snit og graveringer. Viser bred kompatibilitet på tværs af mange CNC-platforme. Ideel som en hurtig start før din egen installation.
PLH3D-CNC Adapter PRO - den ultimative styringsløsning til din CNC-laseropsætning
Forenkler ledningsføring og styring med signalkonvertering, OLED-guidet opsætning og CNC-klare forudindstillinger. Diagnostik i realtid og sikkerhed i flere lag (nøgle, signalkontrol, automatisk frakobling) beskytter brugere og hardware. Fungerer med alle PLH3D-laserhoveder. Et robust anodiseret kabinet modstår værkstedets krav.
LaserDock PRO: Ubesværet fastgørelse af CNC-laserhoveder
Sæt din laser på/af på få sekunder med magnetisk præcision og integreret luft/strøm. Automatisk frakobling beskytter mod stød på Z-aksen, mens guldbelagte fjederstifter og positionslåsning giver gentagelig justering. Kompatibel med alle nuværende og fremtidige hoveder, det er en ryddelig, fremtidssikret montering. Hårdt anodiseret aluminium sikrer holdbarhed i værkstedsmiljøer.
Valgfrit tilbehør - tilføj det fra listen øverst på denne side.
Dette er de mest populære materialer til laserskæring og -gravering med PLH3D-XT8.
Du finder en komplet tabel med hastigheds- og effekttestresultater for mange andre materialer under denne sektion.

Træ
Krydsfiner
Læder
Skum
Gummi
Kork
Anodiseret aluminium (gravering)
Keramiske fliser (gravering)
Akryl (PMMA)
Sten (gravering)
Papir og karton
Tekstiler
Metaller (gravering)
Specialmaterialer
Glas
| Materiale | Operationstype | Tykkelse | Hastighed | Laser-effekt | Gennemløb |
|---|---|---|---|---|---|
| Træ | Gravering | N/A | 350 mm/s (827 tommer/min) | 100% | 1 |
| Gravering | N/A | 70 mm/s (165 tommer/min) | 20% | 1 | |
| Krydsfiner | Gravering | N/A | 350 mm/s (827 tommer/min) | 100% | 1 |
| Skæring | 3 mm (0.118") | 22.5 mm/s (53.1 tommer/min) | 100% | 1 | |
| Skæring | 4 mm (0.157") | 12 mm/s (28 tommer/min) | 100% | 1 | |
| Skæring | 6 mm (0.236") | 6 mm/s (14 tommer/min) | 100% | 1 | |
| Skæring | 10 mm (0.394") | 3 mm/s (7 tommer/min) | 100% | 1 | |
| HDF (højdensitets fiberplade) | Gravering | N/A | 350 mm/s (827 tommer/min) | 100% | 1 |
| Skæring | 3 mm (0.118") | 12 mm/s (28 tommer/min) | 100% | 1 | |
| MDF (mediumdensitets fiberplade) | Gravering | N/A | 350 mm/s (827 tommer/min) | 100% | 1 |
| Skæring | 7.5 mm (0.295") | 4 mm/s (9.4 tommer/min) | 100% | 1 | |
| Balsa | Gravering | N/A | 350 mm/s (827 tommer/min) | 100% | 1 |
| Skæring | 12 mm (0.472") | 40 mm/s (94 tommer/min) | 100% | 2 | |
| Fyrretræ | Gravering | N/A | 350 mm/s (827 tommer/min) | 100% | 1 |
| Skæring | 15 mm (0.591") | 3 mm/s (7 tommer/min) | 100% | 1 | |
| Vegetabilsk garvet svinelæder (top grain) | Gravering | N/A | 3000 mm/s (7090 tommer/min) | 100% | 1 |
| Gravering | N/A | 60 mm/s (142 tommer/min) | 2% | 1 | |
| Skæring | 2 mm (0.079") | 50 mm/s (118 tommer/min) | 100% | 1 | |
| Hårdt vegetabilsk garvet fuldnarvet koskind | Gravering | N/A | 3000 mm/s (7090 tommer/min) | 100% | 1 |
| Gravering | N/A | 60 mm/s (142 tommer/min) | 2% | 1 | |
| Skæring | 4 mm (0.157") | 18 mm/s (42.5 tommer/min) | 100% | 1 | |
| PU (polyurethan) kunstlæder | Skæring | 2 mm (0.079") | 50 mm/s (118 tommer/min) | 100% | 1 |
| Hvid marmor | (Dyb) gravering | N/A | 52 mm/s (120 tommer/min) | 100% | 1 |
| Skifer | Gravering | N/A | 140 mm/s (330 tommer/min) | 100% | 1 |
| Sort akryl | Skæring | 2 mm (0.079") | 7 mm/s (17 tommer/min) | 100% | 1 |
| Skæring | 5 mm (0.197") | 6 mm/s (14 tommer/min) | 100% | 3 | |
| Skæring | 10 mm (0.394") | 6 mm/s (14 tommer/min) | 100% | 4 | |
| Orange transparent akryl | Gravering | N/A | 220 mm/s (520 tommer/min) | 5% | 1 |
| Rød akryl | Skæring | 2 mm (0.079") | 4.2 mm/s (9.9 tommer/min) | 100% | 1 |
| Grøn akryl | Skæring | 2 mm (0.079") | 2.8 mm/s (6.6 tommer/min) | 100% | 1 |
| Bomuld | Gravering | N/A | 180 mm/s (425 tommer/min) | 15% | 1 |
| Denim | Skæring | 0.5 mm (0.0197") | 255 mm/s (602 tommer/min) | 100% | 1 |
| Højdensitets forstærket nylon | Skæring | 3.6 mm (0.142") | 6 mm/s (14.2 tommer/min) | 100% | 1 |
| Hvid polyester | Skæring | 0.2 mm (0.00787") | 60 mm/s (142 tommer/min) | 100% | 1 |
| Hvid højdensitets polyester | Skæring | 0.4 mm (0.0157") | 25 mm/s (59 tommer/min) | 100% | 1 |
| Cordura | Skæring | 0.35 mm (0.0138") | 150 mm/s (354 tommer/min) | 100% | 1 |
| Skæring | 0.5 mm (0.0197") | 95 mm/s (224 tommer/min) | 100% | 1 | |
| Filt | Skæring | 4 mm (0.1575") | 70 mm/s (165 tommer/min) | 100% | 1 |
| Polyfoam | Skæring | 40 mm (1.575") | 5 mm/s (12 tommer/min) | 100% | 1 |
| Skæring | 40 mm (1.575") | 15 mm/s (35 tommer/min) | 100% | 3 | |
| EVA-skum | Skæring | 3 mm (0.118") | 140 mm/s (331 tommer/min) | 100% | 1 |
| Skæring | 5 mm (0.197") | 85 mm/s (201 tommer/min) | 100% | 1 | |
| Polyurethan (PU) skum | Skæring | 10 mm (0.394") | 88.5 mm/s (209 tommer/min) | 100% | 1 |
| Kulstoffiber | Skæring | 0.5 mm (0.0197") | 15 mm/s (35.4 tommer/min) | 100% | 1 |
| Glasfiber | Skæring | 0.7 mm (0.0276") | 5 mm/s (11.8 tommer/min) | 100% | 1 |
| Rustfrit stål | (Dyb) gravering | N/A | 70 mm/s (165 tommer/min) | 25% | 1 |
| (Dyb) gravering | N/A | 280 mm/s (661 tommer/min) | 100% | 1 | |
| Mærkning | N/A | 865 mm/s (2040 tommer/min) | 100% | 1 | |
| Værktøjsstål | (Dyb) gravering | N/A | 70 mm/s (165 tommer/min) | 25% | 1 |
| (Dyb) gravering | N/A | 280 mm/s (661 tommer/min) | 100% | 1 | |
| Mærkning | N/A | 865 mm/s (2040 tommer/min) | 100% | 1 |
Uovertruffen fokusdybde: Med sin bemærkelsesværdige fokusdybde og forlængede stråletalje eliminerer XT8 behovet for løbende justeringer og muliggør skæring i ét gennemløb, hvilket øger produktiviteten.

Præcision i praksis: PLH3D-XT8’s laserpletstørrelse under 200 µm giver mulighed for fine detaljer til kunstneriske opgaver og gør det let at skære igennem materialer som 15 mm træ. Takket være den meget symmetriske stråle forbliver snitbredden (kerf) den samme uanset skanneretning.

Gråtoner-gravering og skæring ved fuld effekt: Skift mellem to tilstande: 50 % effekt til detaljeret gravering eller 100 % effekt til højhastighedsskæring, så du hurtigt kan tilpasse dig forskellige materialer og applikationer.

Integreret luftassistance-dyse: Forøg skæreeffektiviteten med den integrerede dyse. Opnå op til seks gange højere skærehastighed og mindre varmebetinget påvirkning af emnet. Dysen hjælper også med at holde beskyttelsesvinduet (optisk vindue) og hovedlinsen rene.

Kobber-varmerørs-kølelegeme (heatpipe): Vores avancerede køleteknologi sikrer optimal køleydelse og lang levetid ved effektiv varmeoverførsel til et ekstra kølelegeme.

Driftssikkerhed: En signal-LED viser laserens armerede/aktiverede tilstand og giver advarsler ved overtemperatur for øget sikkerhed og korrekt temperaturstyring.

Superhurtig indbygget driver: Oplev højeste ydeevne med den integrerede driver, som sikrer præcis gravering og pålidelige resultater. Den korte afstand mellem laserdioder og driver muliggør højfrekvent strømmodulation.

Fuldmetalhus: Laserens kabinet er fuldt udført i robust metal, hvilket giver solid beskyttelse og øget levetid for enheden.

Spar 10 %, når du tilføjer LightBurn til dit XF+, XT-50 eller XT8-kit.
Ved køb sammen med vores Plug&Play-kits leveres LightBurn til en eksklusiv kampagnepris — så du fra dag ét starter med de bedste værktøjer og den bedste totaløkonomi. Bredt anerkendt af laserbrugere verden over er LightBurn fællesskabets mest udbredte valg med tusindvis af solgte licenser.
LightBurn-softwaren kan vælges som tilbehør sammen med vores laser-kits eller -hoveder og er kompatibel med alle Opt Lasers skære- og graveringsmoduler — herunder XT8, XT-50 og XF+. Den strømliner din arbejdsgang og giver præcis styring for optimale resultater ved skæring og gravering. Du kan tilføje den fra sektionen Accessories øverst på siden.
Kompatibilitetstip: LightBurns kompatibilitet afhænger af maskinens bevægelsescontroller/firmware (ikke selve lasermodulet). Den fungerer med de fleste tilgængelige CNC-controllere og indeholder en tilpasset G-Code-postprocessor. Sørg dog for, at din controller er understøttet, før du køber.
Uanset om du arbejder i træ, plast, læder eller skum, sikrer kombinationen af LightBurn og Opt Lasers-hardware pålidelige, effektive og højtkvalitetsresultater.


Nicky Norton er skaberen af Norton-metoden — en bredt anvendt arbejdsgang primært til lasergravering på keramiske fliser (Norton White Tile), som også inspirerer arbejde i træ og rustfrit stål. Hans projekter cirkulerer bredt i maker-grupper på Facebook, opnår konsekvent anerkendelse og hjælper nye brugere med at forbedre resultaterne.
"(... ) Så så jeg nogle opslag med fantastiske graveringer, hvor folk brugte Opt Lasers PL3D-XT-50 6 watt. Jeg kontaktede Opt Lasers, og kort tid efter havde jeg én. Allerede ved udpakning gik det op for mig, at dette var et højkvalitets, præcisionsbearbejdet modul. Nogle begyndervanskeligheder med at tilslutte det til min lasermaskine blev hurtigt overvundet med den fantastiske support, jeg modtog fra Opt Lasers via beskeder/e-mails og Zoom-opkald. Præcisionen og nøjagtigheden af denne laser med en stråle på 30 × 50 mikrometer (utroligt høj laserfluens) viste sig hurtigt at være uovertruffen i forhold til den gravurekvalitet, jeg kunne opnå.
Overordnet set har arbejdet med Opt Lasers’ produkter og supportteam været en meget positiv oplevelse og har fornyet min entusiasme for brugen af diodelasergravering."

Kris Crawford er en canadisk maker og indholdsskaber bag Further North Fabrication, hvor han deler træ- og metalprojekter på YouTube og Instagram. Siden 2021 har han anvendt Opt Lasers til at tilføje komplekse detaljer til kundegaver og personlige projekter — en betroet stemme, der opfordrer andre til at udforske CNC-laserfabrikation.
"(... ) Integrationen af laseren med min modificerede X-Carve CNC var gnidningsfri, og siden har den løftet kapabiliteterne i min opsætning. Præcisionen og alsidigheden i Opt Lasers-modulet har været en markant forbedring for mine DIY-projekter og gør det muligt at skabe intrikate designs og tilføje detaljerede graveringer i en bred vifte af materialer. Uanset om jeg arbejder i træ, akryl eller metal, leverer laseren fremragende resultater hver gang."

April Wilkerson er en Texas-baseret gør-det-selv-entusiast, træ- og metalhåndværker — kendt på YouTube som @AprilWilkerson — med over 1,5 millioner abonnenter. Fra YouTube til tv giver hendes trin-for-trin-projekter makere verden over redskaberne til at lykkes, nu også med laserprojekter i porteføljen.
"(... ) Installation og drift var overraskende smidig og let, ægte plug-and-play. Men da dette var min første laser, havde jeg behov for rådgivning i begyndelsen, og folkene hos Opt var fantastiske; de reagerede hurtigt, var vidende og villige til altid at afsætte tid til grundigt at besvare mine spørgsmål. De besvarede endda spørgsmål, jeg ikke vidste, jeg burde stille!"

Jim Neeb er pensioneret ingeniør og træhåndværker gennem 45 år, som har støttet Opt Lasers siden de tidlige dage via sin YouTube-kanal @JNWoodworks og vores officielle brugergruppe. Han er kendt for klar, praktisk vejledning og gennemarbejdede demonstrationer, der hjælper makere med at mestre laserteknikker. Han er også officiel tester i samarbejde med Avid CNC.
"(... ) Opt Lasers er det ENESTE diodelaserselskab, jeg anbefaler, fordi der reelt ikke findes andre virksomheder med produkter, der bare nærmer sig deres kvalitetsniveau og kundeservice. Det kan jeg sige med sikkerhed på baggrund af både min egen erfaring og den feedback, jeg får fra mine YouTube-seere og kontakter over hele verden."
| PLH3D-XT8 | |
|---|---|
| Maksimal optisk effekt | 45 W |
| Typisk spotstørrelse (X × Y @ WD 21 mm) | ≈180 × 180 μm |
| Laserhovedets dimensioner (L x B x H) | 76 x 89 x 194 mm (3 x 3,5 x 7,64 in.) |
| Vægt af laserhoved, typisk | 1050g (2.31 lb.) Med LaserDock: 1230g (2.71 lb.) |
| Luftgennemstrømning for ventilator | 92 m3/h (53 CFM) |
| Ventilatorstøj | 58 dBA |
| Monteringshulmønster | 5 x 4 huller, 24 x 15 mm (0.94 x 0.59 in.) |
| Type af monteringshuller | M3 x 0.5 x 3 mm |
| Maks. omgivelsestemperatur | 40°C (104°F) |
| Modulationsindgang | PWM/TTL, 0 – 24 V |
| Anbefalet PWM-basisfrekvens | 1 – 10 kHz |
| Maks. modulationsbåndbredde | 30 kHz |
| Modulationsindgangens impedans | >1 kΩ |
| Strømforsyningens spænding | 24 V |
| 24 V PSU – min. strøm | 8 A |
| Maksimalt effektforbrug | 170 W |
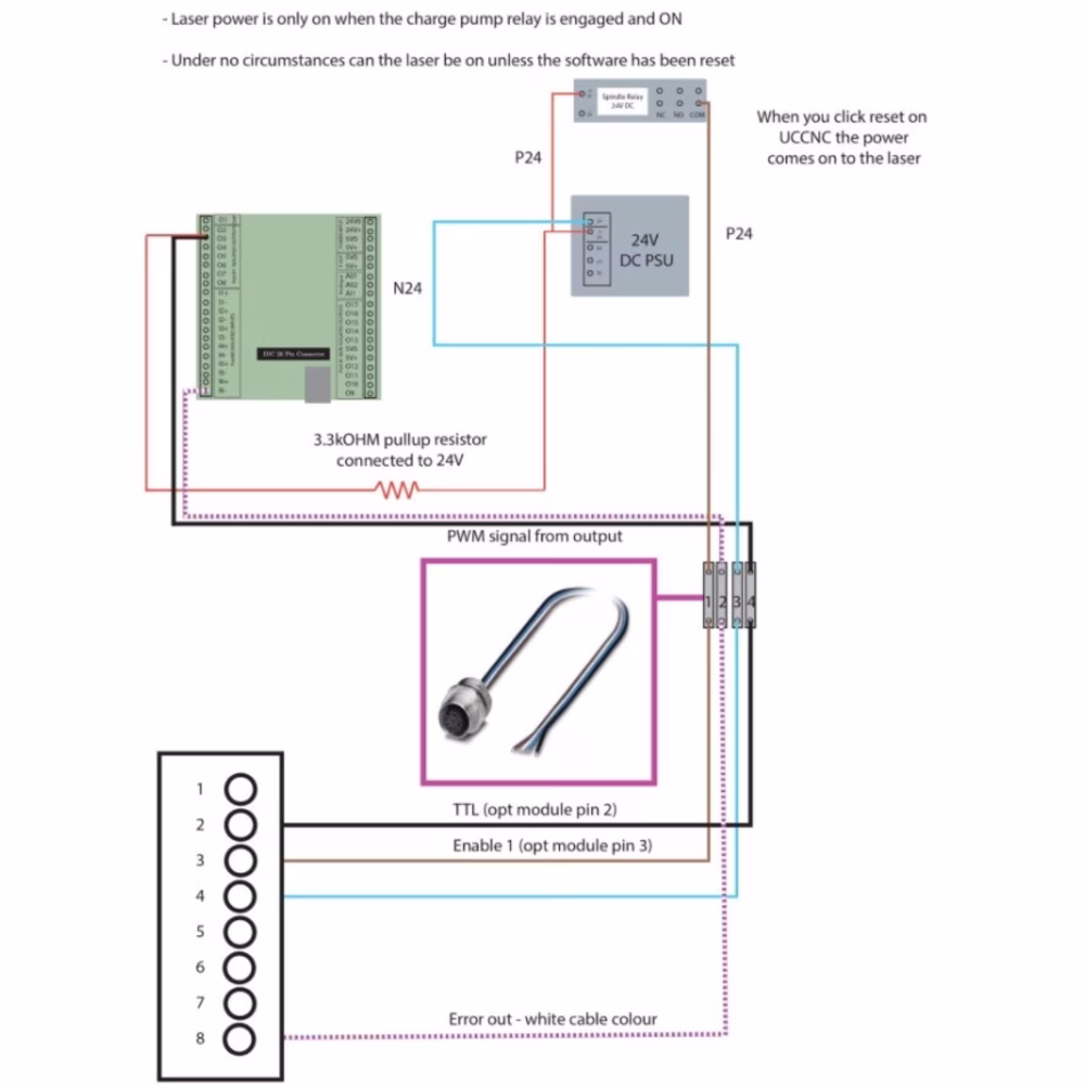
PLH3D-XT8 er kompatibel med de fleste CNC-maskiner, herunder populære mærker som X-Carve, Shapeoko og Stepcraft. Den kan monteres med det medfølgende universelle beslag eller LaserDock. Kompatibiliteten med din CNC-styring sikres via PLH3D-CNC Adapter Pro, som understøtter PWM, TTL og analoge indgange (0–3 V, 0–5 V eller 0–24 V).
XT8 kan skære eller gravere træ, krydsfiner, MDF, læder, gummi, tekstiler, skum, akryl og meget mere. Den kan også gravere på belagte metaller og nogle ubelagte metaller (med justering af indfaldsvinklen). Den kraftige optiske stråle på ~45 W muliggør skæring i ét gennemløb på tyndere materialer og flerpas-skæring på tykkere emner.
Første installation tager ca. 30 minutter. Med det magnetiske LaserDock PRO-system tager daglig på-/afmontering få sekunder. Alle stik er Plug&Play og medfølger i sættet.
Sættet indeholder et Height Reference Tool til hurtig manuel fokusering. Placér det på materialet og indstil den nominelle arbejdsafstand til 21 mm. Ved skæring justeres der afhængigt af materialetykkelsen.
XT8 tilsluttes via PLH3D-CNC Adapter Pro, som understøtter TTL, PWM og analoge indgange. En 24 V strømforsyning og alle kabler er inkluderet.
Ja — XT8 har en indbygget, justerbar højtryks-luftassistedyse, der øger skærehastighed og -kvalitet ved at fjerne partikler og køle snittet. Den fungerer med almindelige små kompressorer (anbefalet reelt luftflow ~10–15 l/min for de fleste materialer).
XT8 har overophedningsbeskyttelse og skal anvendes med CE-godkendte lasersikkerhedsbriller (OD7+ for 190–540 nm). Den slår automatisk fra ved 58 °C og genoptager ved 50 °C. Følg altid gældende laseresikkerhedsstandarder (f.eks. ANSI Z136.1).
Typisk driftstid er 20.000–30.000 timer. Hvis en diode svigter, kan enheden ofte repareres ved diodeudskiftning. Rengør optikken regelmæssigt og sørg for korrekt luftgennemstrømning for maksimal levetid.
Ja, men tilt emnet (eller laseren) ca. 7° så refleksen ikke returnerer til dioderne. For metaller generelt: indfør en let hældning og ret strålen væk fra operatøren. Brug altid briller med OD7+.
Brug enhver CAM, der genererer G-code: LightBurn (anbefales), Vectric, Fusion 360 eller gratis værktøjer som LaserGRBL. LightBurn giver avanceret kontrol, billedgravering og nem opsætning med vores forudindstillinger.
Gravering: Indstil den nominelle arbejdsafstand til 21 mm med Height Reference Tool for hurtig og reproducerbar fokusering.
Skæring (tyndt 1–6 mm): Fokuser, så det mindste spot ligger nær midten af materialetykkelsen (start ved 21 mm, sænk derefter med halvdelen af tykkelsen).
Skæring (tykt >6 mm): Skær lagvis og sænk hovedet en anelse efter hver passage; undgå at ramme emnet med dysen. Nogle materialer (f.eks. birkekrydsfiner, MDF, PU-skum, fyr) kan skæres tykke i ét gennemløb med dysen tæt på overfladen (uden berøring).
Tilstand “I” (50 %): ~0–20 W til detaljeret gråtonegravering og fin skygning.
Tilstand “II” (100 %): fuld effekt til højhastigheds sort/hvid-gravering og effektiv skæring, også i tykkere materialer.
XT8 accepterer PWM/TTL/Analog styring: 0–3 V, 0–5 V og 0–24 V på Mod Input #2 (PWM). Brug en PWM-basisfrekvens på 1–5 kHz (højere frekvenser kan give glattere gråtoner). Logisk “høj” er ≥3 V; “lav” ≤0.8 V. Tilslut ikke signaler til både analog- og PWM-indgang samtidigt (de deler stel).
Anbefalet reelt kompressorluftflow: 10–12 l/min med en ≥50 L tank for komfortabel drift. Mange brugere opnår gode resultater med mindre enheder (f.eks. 5 L), men resultaterne varierer. Monter et filter og olieseparator; i fugtigt klima tilføjes en lufttørrer for at undgå vanddråber.
Flow-sætpunkt: skæring ~5–15 l/min; gravering ~1–5 l/min. Undgå at overskride ~15–20 l/min, da det kan reducere skærehastigheden. En flowmåler anbefales kraftigt.
Fastgør kabelholderen bagpå, og sæt derefter kablet solidt i XT8. Ved direkte brug tilsluttes den anden ende til Adapter PRO. Med LaserDock PRO monteres Laser-Side Part med fire M4-skruer i linje med spindelpositionen, og derefter tilsluttes det korte kabel og luftslangen.
Køleprofil: Blæs jævnligt trykluft gennem køleprofilen (især efter opgaver med meget røg). Undgå at overspinde blæseren. For dybere rengøring afmonteres frontdækslet ca. hver 100. time.
Air Assist / dyse: Brug altid luftassistedysen med en stabil, tør og oliefri luftstrøm under skæring og gravering. Den holder røg og partikler væk fra optikken, hjælper med at holde beskyttelsesvinduet og hovedlinsen rene og reducerer behovet for hyppig rengøring.
Optik: Inspicér beskyttelsesvinduet før hver brug og rengør ca. hver 100. time. Udskift beskyttelsesvinduet ved skader (reservedele findes). Hovedlinsen bør også rengøres ca. hver 100. time.
Rengøringsmidler: Brug kun 99.9% anhydrous IPA og egnede fnugfri materialer. Undgå “rubbing alcohol” (~70% IPA + vand) og typiske brilleglas-/mikroskopservietter (kan efterlade rester). Anvend kun så meget tryk som nødvendigt for at fjerne forurening, for at skåne belægningerne.
20-03-2024
Amazing
Okay, so I finaly caved and got this laser for my i2r and I love its versatility. I can cut thick plywood and engrave it with high DPI thanks to the little switch on the laser. Genuinely in love.
17-03-2024
great support from Jacob
I am very satisfied with my purchase
17-03-2024
Great option in 2024
adding the PLH3D-XT8 to my tools has been a great idea for me :)) Now i have to work out how to work with plexi
11-03-2024
Precisione senza pari
Da artigiano, la precisione è tutto. Questo laser blu di Opt Lasers ha portato i miei progetti di incisione e taglio a un livello completamente nuovo. La qualità del taglio è eccezionale, con dettagli fini che prima non riuscivo a ottenere. Un vero e proprio cambio di gioco per il mio lavoro.