Намалена цена!
Високопроизводителен лазер i2R за надграждане с PLH3D-XT-50 и LaserDock

XT-50 6W Plug&Play лазерен комплект за I2R CNC

i2R PLH3D-XT-50 Комплект за лазерно обновяване

Спецификации: 6W оптична мощност, Ultra HD 550DPI 45um спот, максимална дебелина на рязане на дърво 3 mm (⅛")

Най-добър за: Много детайлно гравиране, рязане на тънки материали

Включва: Лазерна глава, лазерен док, адаптер PLH3D-CNC, монтаж и винтове, захранващ блок, окабеляване, въздушна дюза, инструмент за определяне на височината

На склад

$674.10 без данък

-10%

$749.00 без данък

Най-ниска цена в рамките на 30 дни: $749.00
Our payments
002883
5902693112341

Съдържание на пакета

  • PLH3D-XT-50 Специализирана лазерна глава за гравиране
    $629.10 $699.00
    Най-ниска цена в рамките на 30 дни: $699.00

    1 x PLH3D-XT-50 Специализирана лазерна глава за гравиране

    Спецификации: 6W оптична мощност, Ultra HD 550DPI 45um място, максимална дебелина на рязане на дърво 3 mm (⅛")

    Най-добър за: Много детайлно гравиране, рязане на тънки материали

    Включва: Лазерна глава

  • PLH3D-XT8
    $179.10 $199.00
    Най-ниска цена в рамките на 30 дни: $199.00

    1 x PLH3D-CNC адаптер Pro

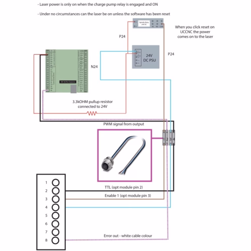
    ✔ Осигурява комуникация между машините с ЦПУ и лазерните глави.

    ✔ Осигурява допълнително ниво на безопасност за потребителите и лазерните глави.

  • Комплект дюзи за подпомагане с въздух под високо налягане за серия XT
    $89.10 $99.00
    Най-ниска цена в рамките на 30 дни: $99.00

    1 x Комплект дюзи за подпомагане с въздух под високо налягане за серия XT

    ✔ Аксесоар за ефективност за лазерни глави от серията XT.

    ✔ Увеличава скоростта на лазерната обработка до 6,5 пъти и намалява свързаните с топлината повреди на материала.

    ✔ Предпазва лазерната оптика от дим и отломки.

  • Очила за лазерна безопасност 450 nm
    $63.00 $70.00
    Най-ниска цена в рамките на 30 дни: $70.00

    1 x Лазерни защитни очила

    ✔ Лазерни защитни очила с рейтинг OD 7+ в диапазона от 190 до 540 nm.

    ✔ Намаляват риска от проникване на разсеяна лазерна светлина в очите на оператора.

  • Монтаж на i2R към PLH3D-серия
    $30.60 $34.00
    Най-ниска цена в рамките на 30 дни: $34.00

    1 x I2R CNC за монтаж на серия 6W

    ✔ Алуминиева стойка за монтиране на лазерни глави от серията PLH3D-6W или LaserDock на машини с цифрово-програмно управление i2R.

    ✔ Включва комплект винтове.

  • Референция за височината на серията PLH3D
    $10.80 $12.00
    Най-ниска цена в рамките на 30 дни: $12.00

    1 x PLH3D Референтен инструмент за височина

    ✔ Компактен инструмент за лесно и бързо регулиране на фокусното разстояние за лазерни гравьори от серията PLH3D.

За сваляне

Описание на продукта

Лазерна глава PLH3D-XT-50: най-добрият продукт от години

Страхотен избор! Този изчерпателен комплект за добавяне на лазерни устройства i2R CNC с лазерна глава XT-50, вероятно най-добрата лазерна машина за рязане и гравиране с един лазерен диод на пазара, е идеалното допълнение за вашата машина i2R CNC. Той съдържа всичко, което ви е необходимо за вашата i2R CNC машина - от plug-and-play електрониката за i2R CNC контролера, през механичния монтаж до оборудването за лазерна безопасност.

Не се нуждаете от по-висока лазерна мощност за лазерно гравиране на дърво. PLH3D-XT-50 може без усилие да гравира дърво с лазер, докато се движи с максималните работни скорости на популярните CNC машини. Освен това XT-50 гравира с лазер с Ultra HD резолюция и окото ви не би видяло никаква разлика, ако фокусираното място на лъча беше по-малко.

Лазерните глави PLH3D-XT-50 са чудесен заместител на CO2 лазерите с ЦПУ и могат да работят със специални ламинати за гравиране, лазерни фолиа и много стандартни материали като дърво, гума, картон, тъкани, кожа, боядисан/анодизиран метал. Лазерите XT-50 са чудесни и за маркиране на неръждаема стомана и титан.

XT-50 Laser Head

Предимства, предлагани от Opt Lasers за първи път на този пазар

5-годишна гаранция от Opt Lasers
30-дневна гаранция за удовлетвореност при връщане
Доживотна техническа поддръжка
№1 в обслужването на клиенти
Ненадмината издръжливост и надеждност
Допълнителна застраховка срещу сблъсък или падане на лазерната глава
Продукт от създателя на концепцията за лазерна глава
Произведено в Полша, ЕС

Софтуер LightBurn — Вземете 10% отстъпка при покупка с комплекти Opt Lasers

Спестете 10%, когато добавите LightBurn към вашия комплект XF+, XT-50 или XT8.

При закупуване заедно с нашите Plug&Play комплекти, LightBurn се предлага на ексклузивна намалена цена — така започвате с най-добрите инструменти и най-доброто съотношение цена/качество от първия ден. Доверен по цял свят от потребителите на лазери, LightBurn е най-предпочитаният избор в общността с хиляди продадени лицензи.

Софтуерът LightBurn е наличен като опционален аксесоар с нашите лазерни комплекти или глави и е съвместим с всички модули за рязане и гравиране на Opt Lasers — включително XT8, XT-50 и XF+. Той оптимизира работния процес и осигурява прецизен контрол за постигане на оптимални резултати при рязане и гравиране. Можете да го добавите от раздела Accessories в горната част на страницата.

Съвет за съвместимост: Съвместимостта на LightBurn зависи от контролера за движение/фърмуера на машината (а не от самия лазерен модул). Работи с повечето налични CNC контролери и включва персонализиран постпроцесор за G-code. Въпреки това, моля, уверете се предварително, че вашият контролер се поддържа.

Независимо дали работите с дървесина, полимери, кожа или пяна, комбинацията от LightBurn и хардуера на Opt Lasers гарантира надеждни, ефективни и висококачествени резултати.

Софтуер LightBurn за лазерно гравиране и рязане

Характеристики и предимства на лазерната глава за рязане и гравиране PLH3D-XT-50 в детайли

Регулируемо, микроскопично и квадратно петно на лъча 25 - 500 DPI - Лазерните глави XT-50 имат регулируеми петна на лъча, под 50µm при перфектно фокусиране. Регулирането на височината увеличава размера на петното до 2 мм, което позволява Ultra HD резолюция над 500 DPI или мащабно гравиране до 25 DPI.

Adjustable, Microscopic & Square Beam Spot 25 - 500 DPI

Висока плътност на мощността - Лазерните глави XT-50 постигат малък размер на лъчевото петно, което увеличава плътността на мощността и позволява по-бързо рязане и гравиране. Например XT-50 може да гравира (а не само да маркира) неръждаема стомана и инструментална стомана.

High Power Density

Рязане и гравиране - Синият лазер PLH3D-XT-50 позволява да се режат и гравират различни материали, като дърво, картон, гума, хартия, текстил, кожа, пластмаса, балса, шперплат и много други, както и да се маркират неръждаема стомана, титан и подтипове стомана с ниска топлопроводимост.

Cutting and Engraving with XT-50

Подобрена безопасност - Лазерната глава за рязане и гравиране е оборудвана със светодиод за индикация "Въоръжен", който сигнализира за свързването ѝ към захранването и осигурява предупреждения за прегряване. Освен това предупрежденията за температурата на околната среда осигуряват безопасна работа.

Improved Safety LED

Фабрично настроена леща - Всяка лазерна глава се доставя с триплетна леща с висока разделителна способност, настроена да фокусира на 60,0 mm. Това разстояние е най-добре оптимизираното разстояние за фокусиране, с което трябва да се започне.

Factory Set Lens in XT-50

Вграден драйвер - Късата връзка между лазерния диод и драйвера осигурява по-добра защита на диода, възможност за високочестотна модулация на тока, както и елиминира индуктивните ефекти по време на включване.

Built-in Driver in XT-50

Не се изисква допълнително охлаждане - Този лек лазер не се нуждае от допълнително охлаждане. Корпусът на лазера XF+ действа като радиатор, което му позволява да работи постоянно в продължение на 24 часа, всеки ден.

No Additional Cooling Required in XT-50

Най-прецизната лазерна глава на пазара - Благодарение на специалния ни оптичен дизайн XT-50 постига най-висока прецизност, осигурявайки несравнима точност за детайлна работа.

The Most Precise Laser Head on the Market

Аксесоари за PLH3D-XT-50

Магнитна докинг станция LaserDock

(Допълнителен аксесоар, добавете в горната част на страницата)

  • Бързо свързвайте и изключвайте лазера към и от вашата CNC машина.
  • Предпазва лазерното устройство от масла, метални частици и прах.
  • Включва алуминиев капак, който предпазва докинг станцията, когато не се използва

LaserDock Magnetic Docking Station

PLH3D-CNC адаптер Pro

(Включен в комплектите Plug&Play)

  • Лесно свързване към всяка CNC машина.
  • Преобразува сигналите на машината в стандарт, съвместим с лазерната глава.
  • Осигурява допълнително ниво на безопасност за потребителите и лазерните глави.

PLH3D-CNC Adapter Pro

Лазерни предпазни очила

(Включени в комплектите Plug&Play)

  • Осигуряват значителен слой защита срещу излагане на син лазер.
  • Ефективно намаляват потенциалната вреда от дифузно отразеното лазерно лъчение.
  • Предлагат 50% пропускане на видимата светлина за ясна видимост.

Laser Safety Glasses

CNC монтаж, захранване, свързващи проводници

(Включени в комплектите Plug&Play)

  • Здрава алуминиева монтировка за сигурно закрепване на лазерната глава или докинг станцията.
  • Висококачествено захранване с ниско ниво на шум.
  • Всички необходими кабели за безпроблемно свързване.

CNC Mount, Power Supply, Connection Wires

Въздушна асистираща дюза с високо налягане

(Включена в комплектите Plug&Play)

  • Увеличава скоростта на лазерната обработка до 6,5 пъти.
  • Намалява свързаните с топлината повреди на материала.
  • Предпазва лазерната оптика от дим и отломки.

High-Pressure Air Assist Nozzle

Прозорец за безопасност на лазера

(Допълнителен аксесоар, добавете в горната част на страницата)

  • Идеален за корпуси на машини с ЦПУ.
  • Блокира дълбоката ултравиолетова, синя и зелена светлина.
  • Повишава безопасността на заобикалящата среда.

Laser Safety Window

Примерни приложения

Opt Lasers - PLH3D-XT-Series Engraving Laser Heads

Гравиращите лазерни глави от серията PLH3D-XT ви позволяват да отговорите на най-големите изисквания и широко да реализирате нуждите си при работа с меки и твърди материали.

Изключително точно гравиране на метали

Гравиращите лазерни глави от серията PLH3D-XT са разработени като серия специализирани лазерни глави за гравиране с изключително висока разделителна способност и рязане на тънки материали със свръхтънки линии. Базирани на нашите лазерни глави от серията 6W, лазерните глави от серията XT наследиха всички техни предимства: гъвкавост, компактни размери и високоскоростен драйвер. Микроскопичното петно на лъча позволява да се правят прецизни гравюри с много малки размери в най-различни материали, включително неръждаема стомана.

Неръждаема стомана
Работа Скорост на подаване Поток на въздуха
Гравиране 5 mm/s (11,8 IPM) 5L/min
Steel Engraving with PLH3D-XT-50

Гравиране на керамични плочки с ултрависока резолюция

Възможността за 500 DPI позволява гравиране с невероятно качество върху материали като керамични плочки. По-високата плътност на мощността разкрива нови възможности за рязане и гравиране. Освен това процесите на рязане и гравиране са значително по-бързи в сравнение с лазерните глави без анаморфна оптика.

Керамични плочки
Работа Скорост на подаване DPI
Гравиране 2500/min 423
Laser Engraving Ceramic Tile with PLH3D Lasers from Opt Lasers Grav

Висококачествено детайлно гравиране и рязане на меки материали

Благодарение на широчината на петното от по-малко от 50 µm лазерните глави PLH3D-XT-50 позволяват рязане с тънка и равномерна линия на рязане. За сравнение, типичната човешка червена кръвна клетка е с размер 5-10µm, а диаметърът на един човешки косъм е 50-200µm.

Въглища Duplex
Работа Дебелина Скорост на подаване Поток на въздуха
Рязане 1 мм (0,0393") 500 mm / min 10-20 л/мин
Laser Cutting with PLH3D-XT-50 Wood

Други приложения PLH3D-XT-50 Галерия

Технически спецификации на продукта

PLH3D-XT-10PLH3D-XT-50
Оптична изходна мощност 0.5W 6.0W
Дължина на вълната 405 450
>Размер на светлинното петно 10 µm на 4 µm 50 µm на 4 µm
Разделителна способност за приложения за лазерно гравиране 3100 DPI 500 DPI
Размери на лазерната глава (Д x Ш x В) 40 x 55 x 140 mm
(1,6 x 1,7 x 5,51 инча)
Тегло на лазерната глава, типово 300g
Дебит на вентилатора 43 m3/h (25 CFM)
Шум на вентилатора 58 dBA
Модел на отворите за монтиране 4 отвора, 24 x 15 mm
(0,94 x 0,59 инча)
Тип на монтажните отвори M3 x 0,5 x 4,5 mm
Макс. Температура на околната среда 40°C (113°F)
Входове за модулации 2
Вход за модулация 1 Аналогов/TTL/PWM,
0 - 5 V
Вход за модулация21 TTL/PWM 0 - 24 V
Препоръчителна базова честота на ШИМ 5 - 10 kHz
Макс. Ширина на честотната лента на модулацията 30 kHz
Входен импеданс на 1 и 2 >1 k-Ω
Напрежение на захранващия блок 12 - 24 V
12 V PSU Мин. Ток 2.5 A
24 V захранващ блок Мин. Ток 1.25 A
Макс. Консумация на енергия 20 W 30 W

Рецензии

Напишете рецензия